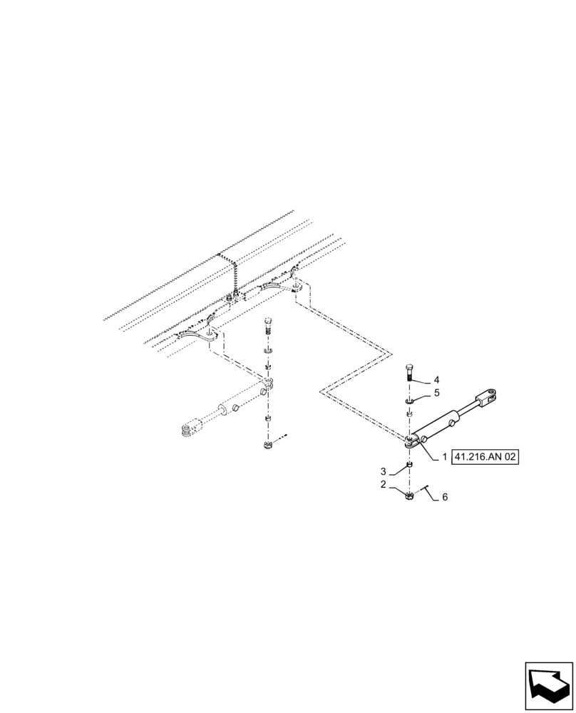
Запчасти Case IH PATRIOT 4440 (41.216.AN[02]) - STEERING CYLINDER MOUNTING (41) - STEERING

Схема запчастей Case IH PATRIOT 4440 - (41.216.AN[02]) - STEERING CYLINDER MOUNTING (41) - STEERING
4
1
2
6
4
41.216.an 02
3
5
FIT
1:1
100%

Артикул

Название

Примечание

Количество

1

86986500

CYLINDER,Double Acting, 31.75mm Rod, 254mm Stroke

Hydraulic, Complete

2шт.

2

87343900

SLOTTED NUT

4шт.

3

87269214

BUSHING,25.4mm ID x 32.38mm OD x 19.05mm L

Spring

8шт.

4

84600698

BOLT

Steering

4шт.

5

87529131

WASHER,1.31" ID x 2" OD x 0.11" Thk

4шт.

6

BN50601

PIN, SPLIT (COTTER)

4шт.

Выбрано товаров: 6