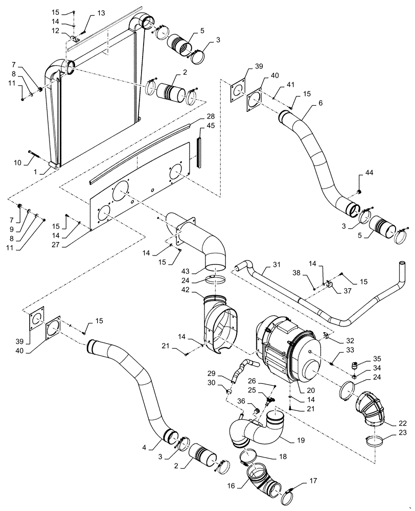
Запчасти Case IH PATRIOT 4440 (10.202.AK[01]) - AIR INTAKE ASSY, BSN YGT044001 (10) - ENGINE

Схема запчастей Case IH PATRIOT 4440 - (10.202.AK[01]) - AIR INTAKE ASSY, BSN YGT044001 (10) - ENGINE
14
43
20
44
2
2
25
11
5
23
24
15
21
36
32
34
30
19
39
33
8
3
9
37
12
14
7
14
15
40
5
42
14
14
31
39
27
8
6
1
41
18
15
40
14
13
45
21
38
3
15
3
35
11
22
29
26
15
16
17
15
10
7
4
24
28
FIT
1:1
100%

Артикул

Название

Примечание

Количество

1

437398A1

AFTERCOOLER

Charge Air

1шт.

2

251400A1

BELLOWS

CAC

2шт.

3

349360A1

CLAMP

Spring Hose

8шт.

4

47400928

TUBE

Turbo to CAC

1шт.

5

87306140

BELLOWS

CAC

2шт.

6

47400929

TUBE

CAC, Cool

1шт.

7

434177A1

ISOLATOR

Mounting Rubber

4шт.

8

87529239

WASHER,0.41" ID x 1.12" OD x 0.13" Thk

.406" x 1.125" x.134"

4шт.

9

BN50179

WASHER

CAC Mount

4шт.

10

86980410

BOLT,Hex, M10 x 100mm, Cl 8.8

M10 x 100mm, Class 8.8

2шт.

11

86980515

NUT,Hex, M10 x 1.5, Cl 8.8, DOR

4шт.

12

84252508

MOUNT

CAC

2шт.

13

86980403

BOLT,Hex, M10 x 1.5 x 40mm, Cl 8.8, Full Thd

2шт.

14

87529316

WASHER,9mm ID x 21mm OD x 2.5mm Thk

26шт.

15

86980379

BOLT,Hex, M8 x 1.25 x 20mm, Cl 8.8

27шт.

16

47562716

90 ELBOW

Turbo Hose Inlet

1шт.

17

L124635

HOSE CLAMP

Constant Torque

1шт.

18

L124802

COLLAR CLAMP

Constant Torque

1шт.

19

47612578

AIR INTAKE TUBE

1шт.

20

47403616

FILTER ASSY

Engine Air

1шт.

See 10.202.AH (01)

1шт.

21

86980380

BOLT,Hex, M8 x 1.25 x 25mm, Cl 8.8, Full Thd

8шт.

22

87418236

ELBOW

6" x 5", 90 Degrees

1шт.

23

87485010

CLAMP,4.75" - 5.62", Worm Gear

Hose, HD W/ Gear, 5.50"

1шт.

24

87485016

CLAMP,5.75" - 6.62", Worm Gear

Hose, HD W/ Gear, 6.50"

2шт.

25

87482355

SENSOR

Air Intake

1шт.

26

87698753

FLANGE BOLT,M6 x 12mm, Cl 10.9, Full Thd

2шт.

27

47432037

TUBE

CAC

1шт.

28

84255669

RUBBER SEAL

Baffle

1шт.

29

47706596

HOSE

CCV

1шт.

30

87487835

CLAMP,0.69" - 1.25"

Hose, 1.25" x 0.69" F SST 300

2шт.

31

BN323704

HOSE

Aspirator

1шт.

32

87485014

CLAMP,1.25" - 2.12", Worm Gear

Hose, HD W/ Gear, 2.00"

2шт.

33

D36264

FITTING

Adapter Air Cleaner

1шт.

34

217-1014

ELBOW,1/8" - 27 Female x 1/8" - 27 Male

1шт.

35

279492A1

RESTRICTION SWITCH

Air

1шт.

36

86625135

PLUG,1" - 11-1/2 NPT

1шт.

37

515-23412

CLAMP,1 5/8", Insul, 3/8" Bolt

5шт.

38

86980514

LOCK NUT,Hex, M8, Cl 8, DOR

5шт.

39

47371685

SEAL

Charge Air Tubes

2шт.

40

47371747

MOUNT

CAC, Tube Seal

2шт.

41

87529315

WASHER,9mm ID x 17mm OD x 2mm Thk

8шт.

42

84553455

DUCT

Air Cleaner

1шт.

43

47445984

AIR INTAKE TUBE

Air Intake

1шт.

44

217-441

PLUG,Hex Soc, 3/4" - 14 NPTF

1шт.

45

BN300592

SEAL

Door SIde

2шт.

Выбрано товаров: 46