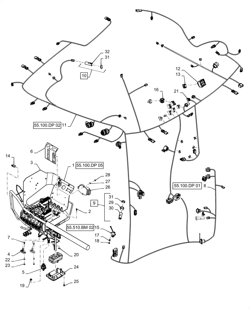
Запчасти Case IH PATRIOT 4440 (55.510.AB [01]) - MAIN ELECTRICAL, CAB (55) - ELECTRICAL SYSTEMS

Схема запчастей Case IH PATRIOT 4440 - (55.510.AB [01]) - MAIN ELECTRICAL, CAB (55) - ELECTRICAL SYSTEMS
55.100.dp 05
5
12
20
10
14
22
9
17
28
6
21
1
31
55.510.bm 02
30
25
31
2
27
15
13
4
19
11
23
16
7
18
26
8
55.100.dp 01
32
55.100.dp 02
29
3
24
FIT
1:1
100%

Артикул

Название

Примечание

Количество

1

84561107

MODULE

Cab Electrical, Fuse and Relay Panel, Main Cab Harness

1шт.

2

87484780

SCREW,#10 - 14 x 5/8"

2шт.

3

84171140

PLATE

Control Mount

1шт.

4

20-1451T1

BLOCK

Junction

2шт.

5

311430A1

BLOCK

Junction

1шт.

6

47388788

DECAL

Cab Fuse And Relay Panel

1шт.

7

86511826

SCREW,Phillips Drive, Pan HD, M5 x 16mm

4шт.

8

84142982

WIRE HARNESS

Front Dash

1шт.

9

388813A1

OUTLET

Power, Incl 29 - 31

3шт.

10

87452321

OUTLET

Power, Incl 31, 32

1шт.

11

84316433

HARNESS

Cab Roof

1шт.

12

357662A1

WINDSHIELD WIPER SWI

1шт.

13

47677918

KNOB

2шт.

14

87541092

SWITCH

Push Button, Dome Lamp

1шт.

15

227739A2

POWER SOCKET

Auxiliary Power Harness

3шт.

16

177250A1

LIGHT SWITCH

4 Position Rotory

1шт.

17

383986A1

RIVET

12шт.

18

895-11003

WASHER,3.2mm ID x 7mm OD x 0.5mm Thk

12шт.

19

829-1410

NUT,M10 x 1.5, Cl 10.9

1шт.

20

893-11010

LOCK WASHER,Ext Tooth, M10

1шт.

21

87442098

LIGHT SWITCH

Headlight/Hazard

1шт.

22

895-11005

WASHER,5.5mm ID x 10mm OD x 1mm Thk

4шт.

23

824-1405

NUT,M5, Cl 5

4шт.

24

437550A1

FLANGE

Bulkhead

1шт.

25

780-34319

SELF-TAP SCREW,Hex Wash Hd, M4.8 x 19

4шт.

26

82038684

FLASHER UNIT

1шт.

27

9824840

WASHER,4.3mm ID x 9mm OD x 0.8mm Thk

2шт.

28

87016570

NUT

M4, CL 5, ZND

2шт.

29

388808A1

RING

Retainer

3шт.

30

388812A1

OUTLET

10A, 12VDC

3шт.

31

390048A1

RING

Outlet Dust Cover

4шт.

32

388809A1

OUTLET

10A, Cigarette Lighter

1шт.

Выбрано товаров: 32