Качественные детали и логистика
Оригинальные и аналоговые запчасти с доставкой по России, Казахстану и Беларуси
©2022 PartSell ООО "Система" ИНН 2463123282 ОГРН 1212400004838
Центральный офис: г. Красноярск, Академика Киренского, д.87, пом.4
Телефон: 8 (800) 777-65-74 Email: zakaz@partsell.ru
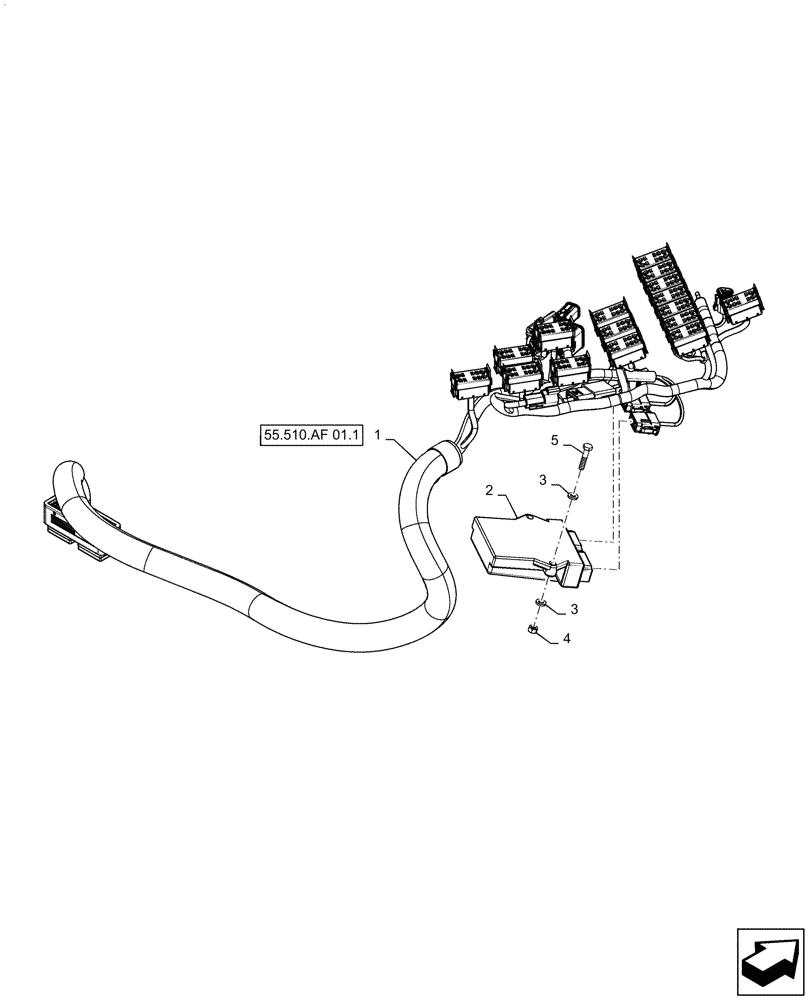
(55.510.AF[02]) - RH CONSOLE HARNESS & NODE
№
Артикул
Название
Примечание
Количество
1
48070378
WIRE HARNESS
RH Console
1шт.
2
48035275
MODULE
CAN, Boom Speed
3
87529314
WASHER,6.6mm ID x 12.5mm OD x 2mm Thk
4шт.
4
86980513
NUT,Prev Torque, Hex, M6, 1mm Pitch, Cl 8, DOR
2шт.
5
86980362
BOLT,Hex, M6 x 1 x 30mm, Cl 8.8
Выбрано товаров: 0