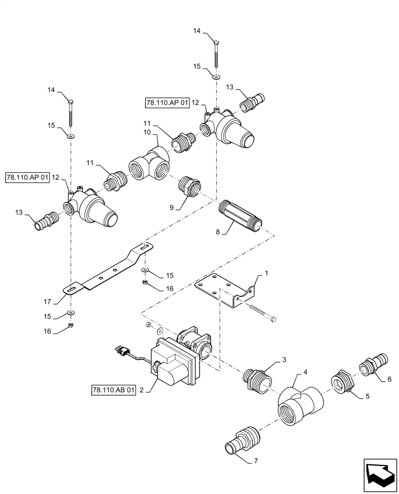
Запчасти Case IH PATRIOT 4440 (78.110.AB[07]) - INNER SECTION VALVE GROUP, 5 SECTION, 90 BOOM, RH, BSN YGT042519 (78) - SPRAYING

Схема запчастей Case IH PATRIOT 4440 - (78.110.AB[07]) - INNER SECTION VALVE GROUP, 5 SECTION, 90 BOOM, RH, BSN YGT042519 (78) - SPRAYING
12
16
6
14
78.110.ap 01
13
11
15
15
14
13
78.110.ab 01
4
3
1
15
10
7
9
2
15
8
16
11
78.110.ap 01
5
17
12
FIT
1:1
100%

Артикул

Название

Примечание

Количество

1

BN320992

BRACKET

NPT Ball Valve

1шт.

2

87268179

VALVE

1.25" Ball, Electric, Boom Shut Off Valve

1шт.

See Fig 78.110.AB 01 For Service Parts

1шт.

3

BN317158

NIPPLE,2" Male NPT x 1-1/4" Male NPT

2" NPT x 1 - 1/4" NPT, Reducer

1шт.

4

BN73779

TEE,2" Poly Tee

2" NPT

1шт.

5

BN73755

BUSHING,2" Male NPT x 1-1/4" Female NPT, Poly

2" NPT x 1 - 1/4" NPT, Reducer

1шт.

6

BN73660

PIPE FITTING,1-1/4" NPT Male x 1-1/4" Barbed

1 - 1/4" NPT x 1 - 1/4" Hose Barb

1шт.

7

BN305163

FITTING,2" - 11-1/2 Male NPT x 1-1/2" Hose Barb, Poly

2" NPT x 1.5" Hose Barb

1шт.

8

BN321466

LUBE NIPPLE,1-1/4" Male NPT x 1-1/4" Male NPT, 6" Long

1 - 1/4" NPT x 6"

1шт.

9

BN73726

REDUCER FITTING,1-1/2" MPT x1-1/4" FPT Reducing Bushing

1 - 1/2" NPT x 1 - 1/4" NPT

1шт.

10

BN73714

TEE,1-1/2" Female NPT x 1-1/2" Female NPT x 1-1/2" Female NPT, Poly

1 - 1/2" NPT

1шт.

11

BN73741

NIPPLE

1 - 1/2" NPT x 1" NPT

2шт.

12

BN320072

FILTER STRAINER

1" NPT, 50 Mesh

2шт.

13

BN53476

FITTING,1" Male NPT x 1" Hose Barb, Poly

1" NPT x 1" Hose Barb

2шт.

14

BN320109

BOLT,5/16"-18 X 3.50", Stainless

2шт.

15

BN50142

WASHER,5/16", Stainless Steel

4шт.

16

BN55361

NUT,5/16"-18, Nylon, Stainless

2шт.

17

BN320993

BRACKET

Strainer

1шт.

Выбрано товаров: 18