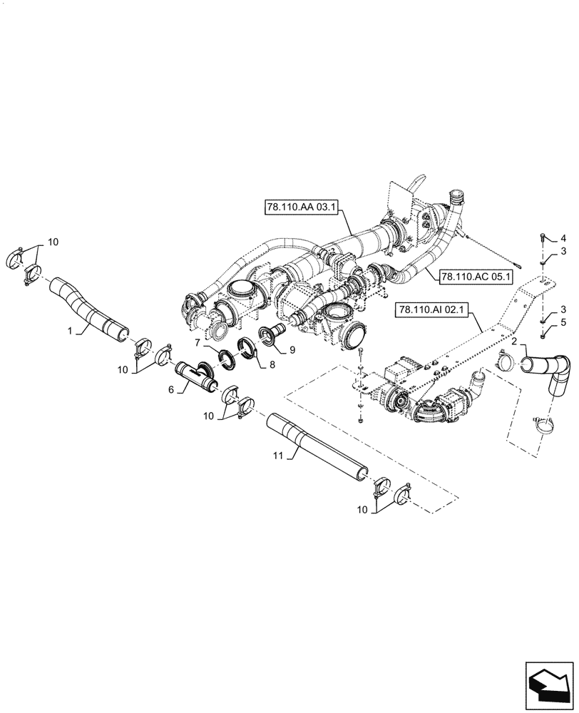
Запчасти Case IH PATRIOT 4440 (78.110.AC[01.1]) - MAIN PLUMBING, UNDER PRODUCT, TANK, ASN YGT042518 (78) - SPRAYING

Схема запчастей Case IH PATRIOT 4440 - (78.110.AC[01.1]) - MAIN PLUMBING, UNDER PRODUCT, TANK, ASN YGT042518 (78) - SPRAYING
78.110.ac 05.1
2
3
1
5
4
9
10
10
10
7
3
10
6
11
8
78.110.ai 02.1
78.110.aa 03.1
FIT
1:1
100%

Артикул

Название

Примечание

Количество

1

BN324204

HOSE,12.00"

1шт.

2

343683A1

HOSE

2"

1шт.

3

BN50146

WASHER,3/8", Stainless

8шт.

4

BN50254

BOLT,3/8"-16 x 1", Stainless

4шт.

5

BN50759

LOCK NUT,3/8"-16, Nylon, Stainless

4шт.

6

47888649

FITTING,2" Full Port Flange x 2" Hose Barb Tee

2" Hose Barb x 2" Hose Barb x 2" Flange

1шт.

7

47888706

GASKET,56mm ID x 83mm OD 5mm Thk

1шт.

8

BN313773

CLAMP,2" Full Port

1шт.

9

BN322277

FITTING,2" Full Port Flange x 1-1/2" Hose Barb

1шт.

10

BN2403358

CLAMP,50.8mm - 63.5mm

10шт.

11

86986356

HOSE,2.00" ID x 18.00"

1шт.

Выбрано товаров: 11