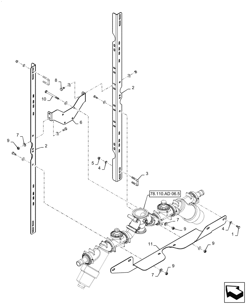
Запчасти Case IH PATRIOT 4440 (78.110.AD[01.1]) - MANIFOLD MOUNTING PARTS, 5 & 6 SECTION, 90 / 100 BOOM, ASN YGT042518, BSN YGT044001 (78) - SPRAYING

Схема запчастей Case IH PATRIOT 4440 - (78.110.AD[01.1]) - MANIFOLD MOUNTING PARTS, 5 & 6 SECTION, 90 / 100 BOOM, ASN YGT042518, BSN YGT044001 (78) - SPRAYING
4
6
7
9
9
11
2
8
9
1
7
9
7
4
2
3
5
10
78.110.ad 06.5
FIT
1:1
100%

Артикул

Название

Примечание

Количество

1

87342763

BOLT,Hex, 3/8" - 16 x 3/4", Gr 5, Full Thd

4шт.

2

47893952

MOUNT

Verticals

2шт.

3

BN319918

U-BOLT,SQ BND 1.31" ID x 3/8"

4шт.

4

BN50146

WASHER,3/8", Stainless

12шт.

5

BN50759

LOCK NUT,3/8"-16, Nylon, Stainless

8шт.

6

47889236

MOUNT

Center

1шт.

7

87529312

WASHER,11mm ID x 24mm OD x 3mm Thk

28шт.

8

86980400

BOLT,Hex, M10 x 25mm, Cl 8.8, Full Thd

10шт.

9

86980515

NUT,Hex, M10 x 1.5, Cl 8.8, DOR

14шт.

10

86980412

BOLT,Hex, M10 x 1.5 x 120mm, Cl 8.8

4шт.

11

47889238

MOUNT

Strainers

1шт.

Выбрано товаров: 11