Запчасти Case IH PATRIOT 4440 (78.111.AE[01]) - FLOWMETER PLUMBING, STANDARD FLOW, RFM 100, BSN YGT042519 (78) - SPRAYING

Схема запчастей Case IH PATRIOT 4440 - (78.111.AE[01]) - FLOWMETER PLUMBING, STANDARD FLOW, RFM 100, BSN YGT042519 (78) - SPRAYING
78.111.ae 02
7
9
16
14
11
6
10
15
12
2
4
5
1
13
3
8
FIT
1:1
100%

Артикул

Название

Примечание

Количество

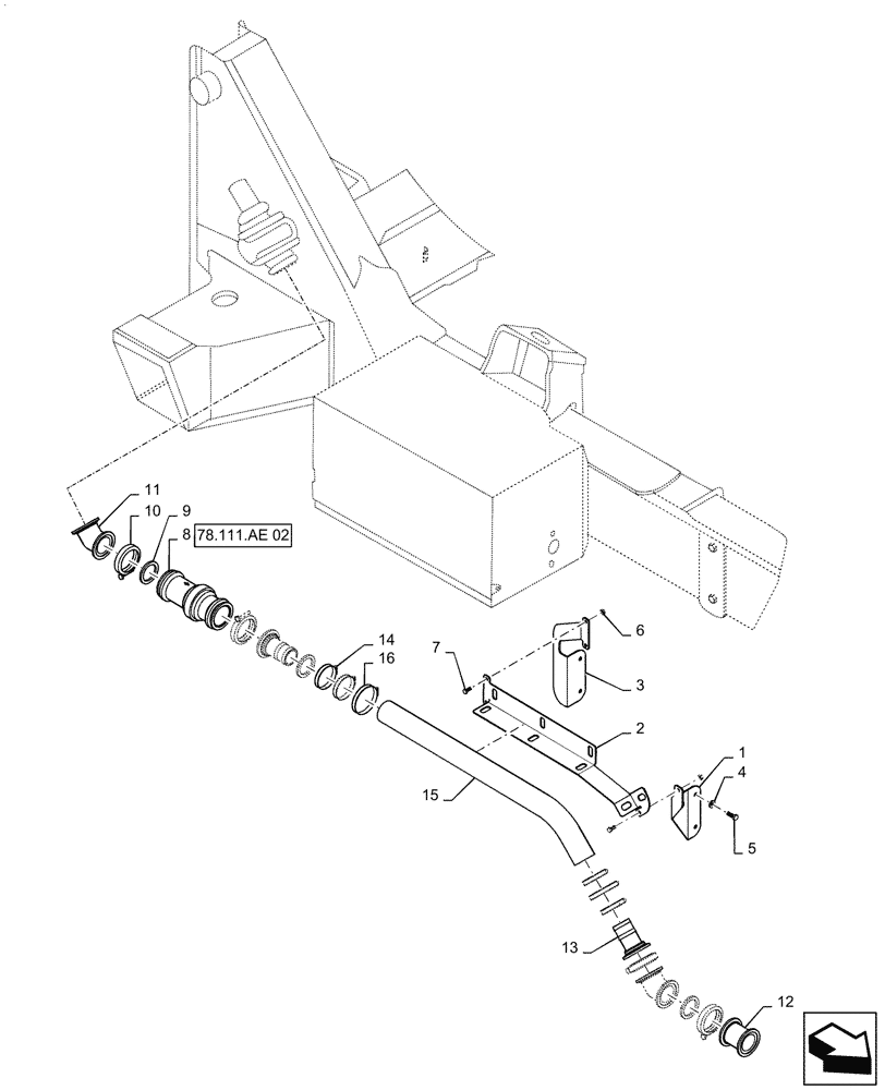
1

84371057

BRACKET, SUPPORTING

Hose, Front

1шт.

2

84371058

BRACKET, SUPPORTING

Hose, Mid

1шт.

3

84371059

BRACKET, SUPPORTING

Hose, Rear

1шт.

4

87529316

WASHER,9mm ID x 21mm OD x 2.5mm Thk

4шт.

5

86980379

BOLT,Hex, M8 x 1.25 x 20mm, Cl 8.8

4шт.

6

86980513

NUT,Prev Torque, Hex, M6, 1mm Pitch, Cl 8, DOR

3шт.

7

86980359

BOLT,Hex, M6 x 1 x 16mm, Cl 8.8

3шт.

8

87265851

METER

Flow, RFM - 100

1шт.

See 78.111.AE 02

1шт.

9

BN313772

GASKET,2" Full Port, EPDM

2" Flange, EPDM

4шт.

10

BN313773

CLAMP,2" Full Port

2" Flange

4шт.

11

87267540

ELBOW,45 Degree Elbow, 2" Full Port Flange x 2" Full Port Flange, Poly

Manifold 2" x 45º FP

2шт.

12

BN325292

COUPLING

2" Full Port, Poly

1шт.

13

BN318600

FITTING,2" Full Flange x 2" Hose Barb, Poly

2" Full Flange x 2" Hose Barb, Poly

2шт.

14

BN310449

CLAMP,50mm - 65mm

#32, Stainless Steel

4шт.

15

BN29564

HOSE

2", Bulk, EPDM, Suction

2.69Fшт.

16

343199A1

HOSE CLAMP

#44, Stainless Steel

4шт.

Выбрано товаров: 17