Запчасти Case IH PATRIOT 4440 (78.111.AE[03.1]) - FLOWMETER PLUMBING, LO-FLOW, RFM 60, ASN YGT042518 (78) - SPRAYING

Схема запчастей Case IH PATRIOT 4440 - (78.111.AE[03.1]) - FLOWMETER PLUMBING, LO-FLOW, RFM 60, ASN YGT042518 (78) - SPRAYING
78.111.ae 06
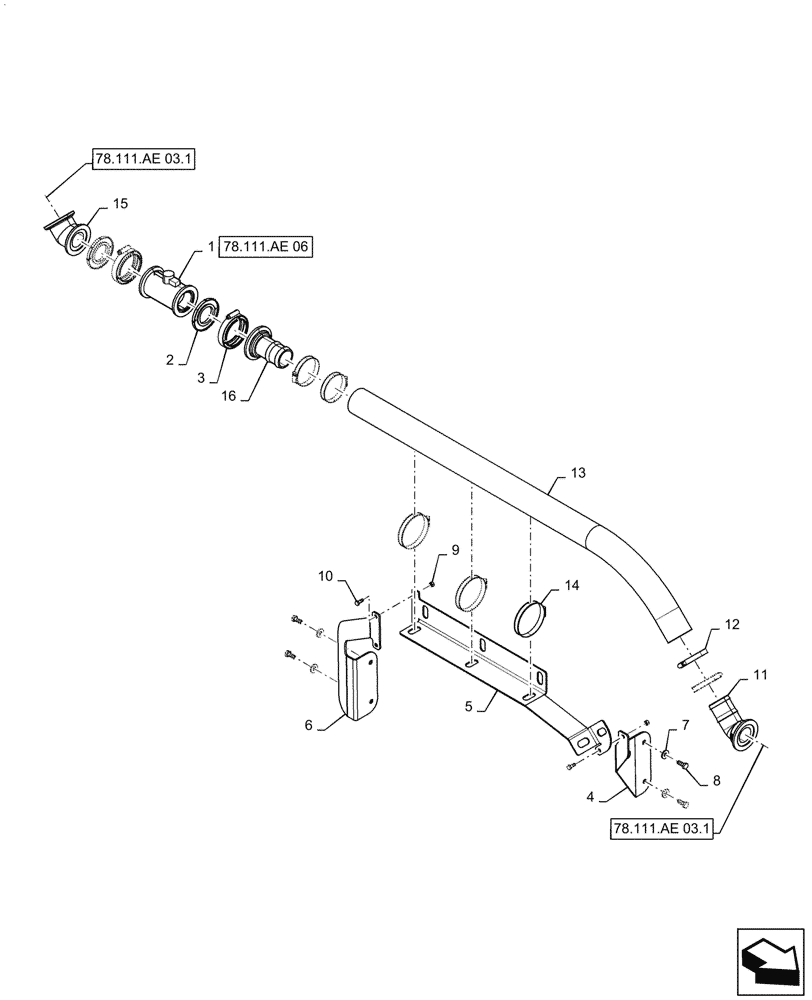
1
10
8
16
2
9
14
5
12
7
13
3
4
6
11
15
78.111.ae 03.1
78.111.ae 03.1
FIT
1:1
100%

Артикул

Название

Примечание

Количество

1

87271267

MEASURING INSTRUMENT

Flow, RFM 60

1шт.

See 78.111.AE 06 For Service

1шт.

2

47888705

GASKET

2" Flange, EPDM

2шт.

3

BN303199

CLAMP,2" Flange

2шт.

4

84371057

BRACKET, SUPPORTING

Hose, Front

1шт.

5

84371058

BRACKET, SUPPORTING

Hose, Mid

1шт.

6

84371059

BRACKET, SUPPORTING

Hose, Rear

1шт.

7

87529316

WASHER,9mm ID x 21mm OD x 2.5mm Thk

4шт.

8

86980379

BOLT,Hex, M8 x 1.25 x 20mm, Cl 8.8

4шт.

9

86980513

NUT,Prev Torque, Hex, M6, 1mm Pitch, Cl 8, DOR

3шт.

10

86980359

BOLT,Hex, M6 x 1 x 16mm, Cl 8.8

3шт.

11

47767334

FITTING,2" Flange x 2" 45 Degree Hose Barb Elbow

45°, 2" Flange x 2" Hose Barb

1шт.

12

BN310449

CLAMP,50mm - 65mm

#32, SST

4шт.

13

BN29564

HOSE

2", Bulk, EPDM, Suction, 20' Roll

1шт.

14

343199A1

HOSE CLAMP

#44, SST

3шт.

15

87265590

COUPLING,2" x 2" 45 Degree Flange

45°, 2" Flange

1шт.

16

BN303198

FITTING,2" Flange x 2" Hose Barb, Poly

1шт.

Выбрано товаров: 17