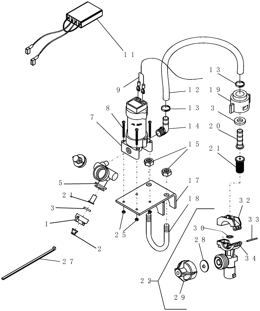
Запчасти Case IH 100 (75.130.08) - NOZZLE - ASSEMBLY, END SINGLE ELECTRIC (75) - SOIL PREPARATION

Схема запчастей Case IH 100 - (75.130.08) - NOZZLE - ASSEMBLY, END SINGLE ELECTRIC (75) - SOIL PREPARATION
20
19
2
8
25
7
9
13
1
30
17
12
33
28
21
3
14
18
29
27
22
13
34
3
21
15
5
11
32
FIT
1:1
100%

Артикул

Название

Примечание

Количество

0

87623416

KIT

electric end nozzle

1шт.

1

87623420

NOZZLE CAP,Radialock Cap, 3/8" (Black)

cj univ slot

1шт.

2

87577730

TIP

nozzle oc-ss04

1шт.

3

3207

SEALING WASHER

epdm 11/32"id 3/4" od 1/8"

1шт.

5

87623419

NOZZLE

assy swivel single incl shut-off dia check

1шт.

Includes shut-off Draphragm check valve

1шт.

6

87426743

LUBE NIPPLE,1/4" - 18 NPTF

1шт.

7

8488

SOLENOID VALVE

model 2201a

1шт.

8

8493

SCREW,Pan Hd, #6 - 32 x 1.25"

mch #6-32 x 1 1/4" ph sq

4шт.

9

87506441

CABLE

25.9 m marker output

1шт.

11

14808V2

HARNESS

adapter ball valve/solenoid

1шт.

12

1970

HOSE

3/8" clear vinyl (sight gauge)

1шт.

Cut to 12"

1шт.

13

82039341

CLAMP,12mm - 22mm

#4, 0.25/0.62 Type M Worm

2шт.

14

87577722

ELBOW

poly 90º 1/4" mpt 3/8" hb

1шт.

15

280736

NUT,5/16"-18, GC

2шт.

17

SQ-326

BRACKET

mount, solenoid

1шт.

18

1569

U-BOLT

ur 5/16" x 1 3/8" w x 2 1/16" d 3/4" thread

1шт.

19

8577

CAP

nozzle quick red

1шт.

20

8578

COUPLING

nozzle hose barb 3/8"

1шт.

21

3020

FILTER STRAINER,Flanged, 50 Mesh

nozzle, 50 mesh, red

2шт.

22

87443633

BODY

nozzle assembly hinged with diaphragm

1шт.

25

88458

NUT,#6 - 32, Gr 5

4шт.

27

87557088

CABLE TIE

CABLE STRAP 7" with stainless locking clip

26шт.

28

87558394

DIAPHRAGM

nozzle for check valve body

1шт.

29

5885

CHECK VALVE

nozzle c/w cap

1шт.

30

87324554

O-RING,0.375" ID x 0.094" Width

3/8" id 9/16" od 3/32" thick

1шт.

32

87443634

CLAMP

upper, nozzle, 1" nylon

1шт.

33

87443635

PIVOT PIN

nozzle

1шт.

Выбрано товаров: 29