Качественные детали и логистика
Оригинальные и аналоговые запчасти с доставкой по России, Казахстану и Беларуси
©2022 PartSell ООО "Система" ИНН 2463123282 ОГРН 1212400004838
Центральный офис: г. Красноярск, Академика Киренского, д.87, пом.4
Телефон: 8 (800) 777-65-74 Email: zakaz@partsell.ru
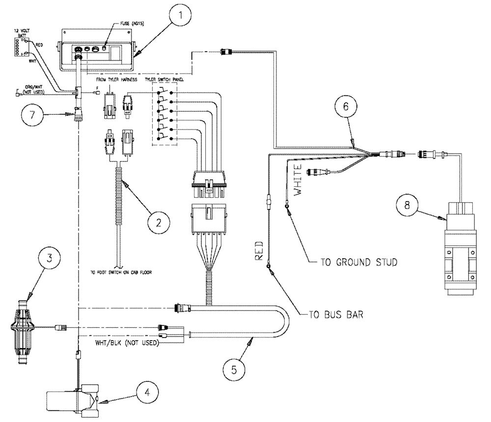
(12-002) - CONTROLLER , RAVEN - 460
№
Артикул
Название
Примечание
Количество
1
BN300981
CONTROL UNIT
Raven 460
1шт.
1a
BN69629
SUPPORT
Raven Controller
Associated Part Of Raven 460 Controller P/N BN300981
2
BN67529
WIRE HARNESS
Wire
3
87378188
REPAIR KIT
Raven RFM60 Flow Meter With Adaptor Harness
4
BN302855
VALVE
1 1/2" 440 Assembly
5
BN303035
Flow Cable
6
BN24519
CABLE
Radar With AGC1 Fuse
7
BN69537
console - 3'
8
BN95030A
RADAR
Sensor - Ground Speed
BN95030AR
SENSOR
SPX2130 SPRAYER, Sensor Ground Speed (9/99-5/04)
BN95030AC
CORE-SENSOR
Return Number
Выбрано товаров: 0