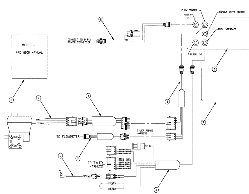
Запчасти Case IH SPX2130 (12-003) - CONTROLLER , MID- TECH -ARC 6000 (06) - ELECTRICAL

Схема запчастей Case IH SPX2130 - (12-003) - CONTROLLER , MID- TECH -ARC 6000 (06) - ELECTRICAL
4
5
6
7
2
7
3
1
9
6
FIT
1:1
100%

Артикул

Название

Примечание

Количество

1

BN302139

Power - Mid-Tech® 6000

1шт.

2

BN302141

CABLE

Console Power

1шт.

3

BN321447

VALVE

Autorange, 1.5" Poly

1шт.

4

BN302145

VALVE

Driver Cable

1шт.

5

BN302143

CABLE

Flow Control

1шт.

6

BN302144

SWITCH

Ground Speed Override

1шт.

7

BN302142

HYDROMETER

Flowmeter Interface

1шт.

8

BN302146

BOOM

Interface

1шт.

9

BN302140

ARC 6000

1шт.

10

87378188

REPAIR KIT

Raven RFM60 Flow Meter With Adaptor Harness

1шт.

11

BN95030A

RADAR

Sensor - Ground Speed

1шт.

11

BN95030AR

SENSOR

SPX2130 SPRAYER, Sensor Ground Speed (9/99-5/04)

1шт.

11

BN95030AC

CORE-SENSOR

Return Number

1шт.

Выбрано товаров: 13