Запчасти Case IH SPX2130 (02-004) - WIPER MOTOR ASSEMBLY Cab Exterior

Схема запчастей Case IH SPX2130 - (02-004) - WIPER MOTOR ASSEMBLY Cab Exterior
4
2
6
3
7
1
5
FIT
1:1
100%

Артикул

Название

Примечание

Количество

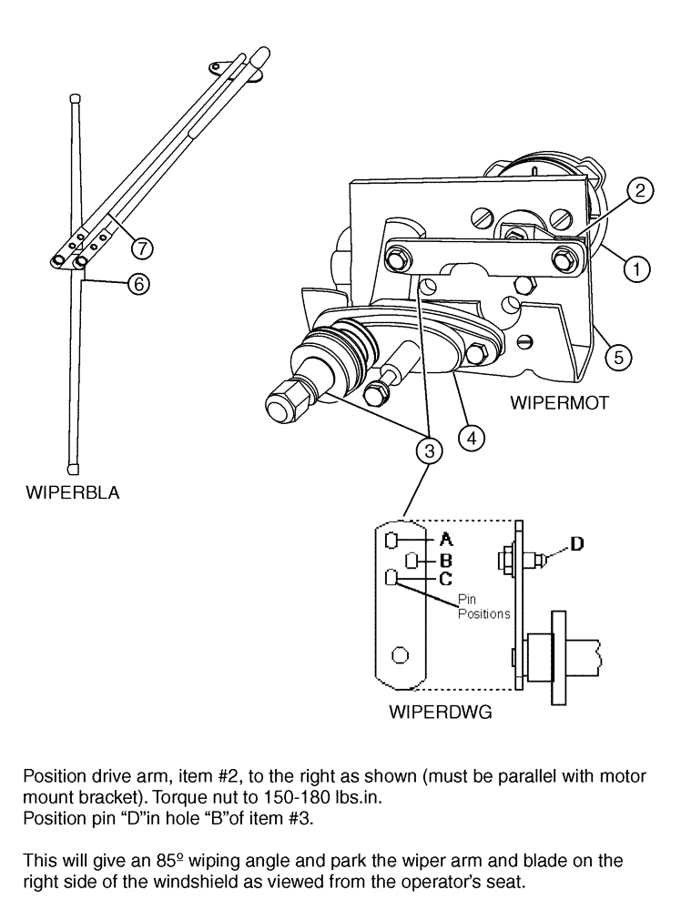
1

BN29267

WIPER MOTOR

MOTOR, WIPER 2 Speed, 12V

1шт.

2

BN29268

DRIVE

Arm-wiper

1шт.

3

137961A1

SHAFT

And Pivot Assembly

1шт.

4

BN29270

ADAPTER

Pantograph Arm, Black

1шт.

4a

BN50939

BOLT

1/4"-28 x .5, SS

2шт.

Associated Part Of Adapter, Pantograph Arm, BK, P/N 29270

1шт.

5

BN29881

BRACKET

Mount - Wiper Motor

1шт.

5a

BN50051

NUT,1/4"-20, USR

1шт.

Associated Part Of Mount-Wiper Motor, P/N 29881

1шт.

5b

BN50671

BOLT,1/4"-20 x 1.00", Stainless Steel

1шт.

Associated Part Of Mount-Wiper Motor, P/N 29881

1шт.

6

353273A1

BLADE,558.8mm L

Front Wiper, 22"

1шт.

7

BN29272

ARM

Pantograph 18" Black

1шт.

Выбрано товаров: 13