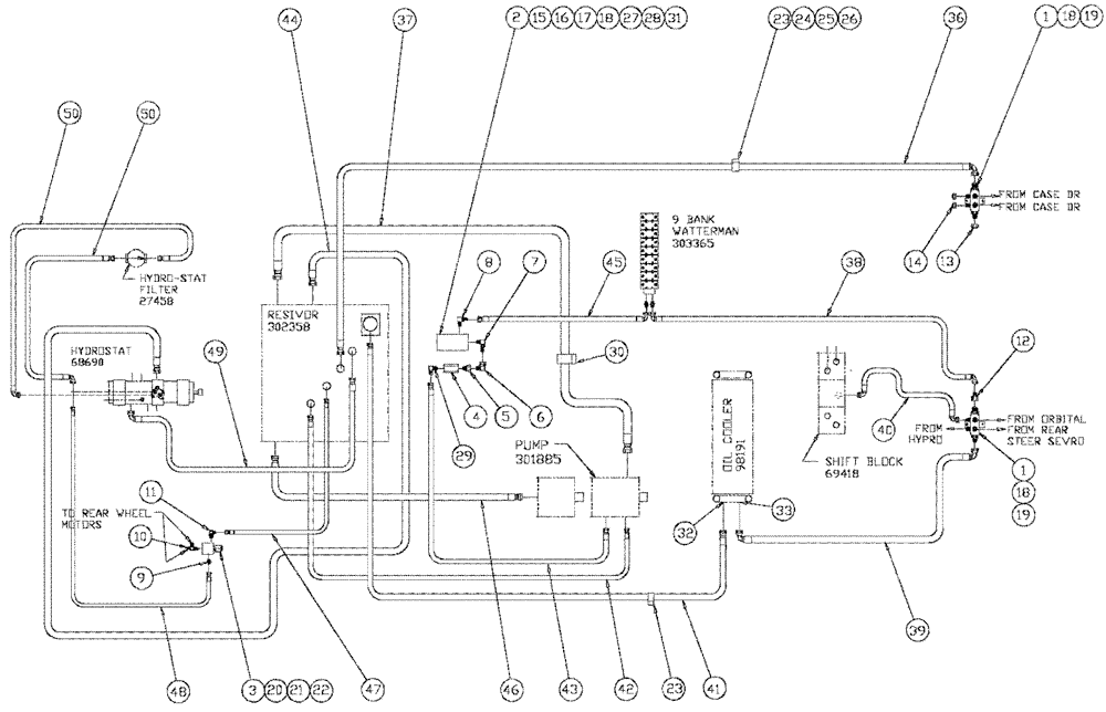
Запчасти Case IH SPX2130 (06-006) - MANIFOLD SUPPLY/RET. & BRAKE VALVE Hydraulic Plumbing

Схема запчастей Case IH SPX2130 - (06-006) - MANIFOLD SUPPLY/RET. & BRAKE VALVE Hydraulic Plumbing
50
29
12
38
16
19
19
39
46
7
5
43
31
6
3
13
44
32
26
20
47
33
45
1
18
17
11
9
42
30
4
50
23
18
27
23
24
40
28
48
1
49
22
14
36
25
10
37
15
8
2
41
18
21
FIT
1:1
100%

Артикул

Название

Примечание

Количество

1

BN67245

MANIFOLD

Hyd. Return

2шт.

2

BN35825

BLOCK

Return

1шт.

3

BN29955

SOLENOID

Valve, Brake Actuator

1шт.

4

BN67312

CHECK VALVE

1шт.

5

BN57224

FITTING

Adapter, 1 1/16-12 Or JIC

1шт.

6

BN446020

ELBOW

Elbow 90 Degree Swivel

1шт.

7

BN53927

ADAPTER

90º 16 O-Ring-12 JIC

1шт.

8

BN53594

FITTING

Adapter 90 Degree Or X 37 JIC

1шт.

9

BN51589

FITTING

Adapter STR., 37 Flare X 9/16 Or

1шт.

10

BN21866

TEE,9/16"-18 O-Ring x 7/16:-20, 37 Degree

1шт.

11

BN22160

ELBOW

90° 9/16-18 O-Ring X 7/16-20 JIC

1шт.

12

BN53715

REDUCER

1-1/16"-12 x 3/4-16 JIC

1шт.

13

BN22240

CROWN NUT,1-1/16"-12 , 37 Degree

1шт.

14

BN22431

CROWN NUT,3/4"-16, 37 Degree

2шт.

15

BN446047

Hex O-Ring #12

4шт.

16

BN60479

PLUG

Hex 1 5/16-12 O-Ring

1шт.

17

BN446025

PLUG

Hex O-Ring 3/4-16

1шт.

18

BN50056

LOCK NUT

5/16"-18, Whiz

6шт.

19

BN50823

BOLT

5/16-18 X 1, HH, G5

4шт.

20

86632587

WASHER,0.28" ID x 0.62" OD x 0.07" Thk

2шт.

21

BN50051

NUT,1/4"-20, USR

4шт.

22

BN50534

BOLT

1/4-20 X 2 5, HH, G5

2шт.

23

BN570018

CLAMP

Vinyl Coated 1-7/16

2шт.

24

BN50367

BOLT

3/8-16 1", HH, G5

2шт.

25

BN300175

WASHER

3/8", G8

2шт.

26

BN50061

LOCK NUT

3/8"-16, G5, UNC, Whiz

2шт.

27

BN50458

5/16-18 X 3.5, HH, G5

2шт.

28

86637953

WASHER,0.34" ID x 0.69" OD x 0.09" Thk

2шт.

29

BN445001

FITTING

Adap-O-Ring 37 Flare 12-12

1шт.

30

BN52035

CLAMP

2" Dia., Vinyl Coated

1шт.

31

BN445005

ADAPTER

Adapter-90, 37 Flare 08

1шт.

32

BN51490

Adapter ST 37 Flare X 1.31 O-Ring

1шт.

33

BN51590

FITTING

16Mj-16MB

1шт.

35

BN306230

Hose Kit/Man Sup/Ret & Brake Va

1шт.

36

BN303693

Hose Assembly, 1" X 95"

1шт.

37

BN52044

HOSE,38.1mm ID x 1828.8mm L

1.5" X 72" Suction

1шт.

38

BN55326

HOSE

1" X 95"

1шт.

39

BN303655

Hose Assembly, .5" X 16"

1шт.

40

BN307202

Hose Assembly, 1/2" X 86" 100R2

1шт.

41

BN69758

HOSE

Assembly, 1" X 85"

1шт.

42

BN55200

HOSE

Assembly, 3/8" X 62"

1шт.

43

BN53994

SLEEVE

Hose Assembly, 3/4" X 20"

1шт.

44

BN52041

HOSE

1 1/4" X 35"

1шт.

45

BN53528

SLEEVE,12.7mm ID x 1828.8mm L, SAE 100R2

Hose Assembly, 1/2" X 72"

1шт.

46

BN67872

HOSE

Assembly, 1" X 43"

1шт.

47

BN46351

SLEEVE,6.35mm ID x 1092.2mm L, SAE 100R1

Hose Assembly, 1/4" X 24"

1шт.

48

BN303338

Hose Assembly, 1" X 95"

1шт.

49

BN300856

HOSE

Assembly, 3/4" X 80"

1шт.

50

BN55190

HOSE

Assembly, 3/4" X 18"

1шт.

Выбрано товаров: 49