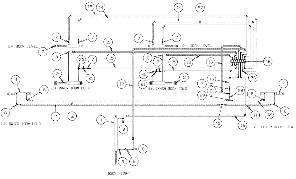
Запчасти Case IH SPX2130 (06-007) - BOOMS - 7 AND 9 BANK VALVE Hydraulic Plumbing

Схема запчастей Case IH SPX2130 - (06-007) - BOOMS - 7 AND 9 BANK VALVE Hydraulic Plumbing
8
16
7
7
18
19
21
21
28
2
8
27
26
17
16
6
12
8
8
7
20
2
14
4
3
20
7
11
15
15
8
8
7
29
15
4
10
1
8
14
21
7
11
7
12
5
12
8
15
FIT
1:1
100%

Артикул

Название

Примечание

Количество

1

BN68696

CYLINDER

HYD. - Boom Height

1шт.

See Fig. 07-001

1шт.

2

BN52316

CYLINDER

HYD. - Inner Boom Fold

2шт.

See Fig. 07-002

1шт.

3

BN53806

CYLINDER

Boom Level

2шт.

See Fig. 07-004

1шт.

4

BN21402

CYLINDER

HYD. - Outer Boom Fold

2шт.

See Fig. 07-003

1шт.

5

BN51665

FITTING

3/8" Close

1шт.

6

BN53681

HYDRAULIC VALVE

Snubber

1шт.

7

BN22158

ADAPTER,3/8" NPT X 7/16"-20, 37 Degree

7шт.

8

BN21401

ELBOW,90 Degree 3/8" NPT x 7/16"-20 JIC

8шт.

10

BN21422

TEE

7/16-20 JIC

1шт.

11

BN55179

HOSE

Assembly - 1/4" X 228"

2шт.

12

BN55178

HOSE

Assembly - 1/4" X 224"

3шт.

14

BN68498

HOSE

Assembly - 1/4" X 220"

2шт.

15

BN68496

HOSE

Assembly - 1 /4" X 172"

4шт.

16

BN68493

HOSE

1/4" x 170"

2шт.

17

BN68499

NUT

LH thread, fuel fitting

1шт.

18

86986492

HYDRAULIC VALVE

7 Bank

1шт.

See Fig. 06-013

1шт.

18a

BN303365

VALVE

9 Bank, See Fig 06-014

1шт.

Indicates Old Part Number Or Can Order Newer Part Number Listed Above

1шт.

18b

BN25885

Mount-Valve Cover

2шт.

Associated Part Of Switch-Door, P/N BN67968

1шт.

19

BN68495

HOSE

Assembly - 1 /4" X 154"

1шт.

20

BN51123

ADAPTER

90º, 3/8-18 NPT

2шт.

21

BN53856

HYDRAULIC VALVE

Needle

3шт.

26

BN22160

ELBOW

90° 9/16-18 O-Ring X 7/16-20 JIC

14шт.

26a

BN98019

O-RING

SAE - 6 Buna N

14шт.

Associated Part Of Adapter, P/N 22160

1шт.

27

BN68497

Hose Assembly - 1/4" X 218"

1шт.

28

BN51352

BUSHING

1/4-18 x 3/8-18 NPT

1шт.

29

BN53711

TEE

1/4 NPT x 7/16-20 JIC

1шт.

Выбрано товаров: 34