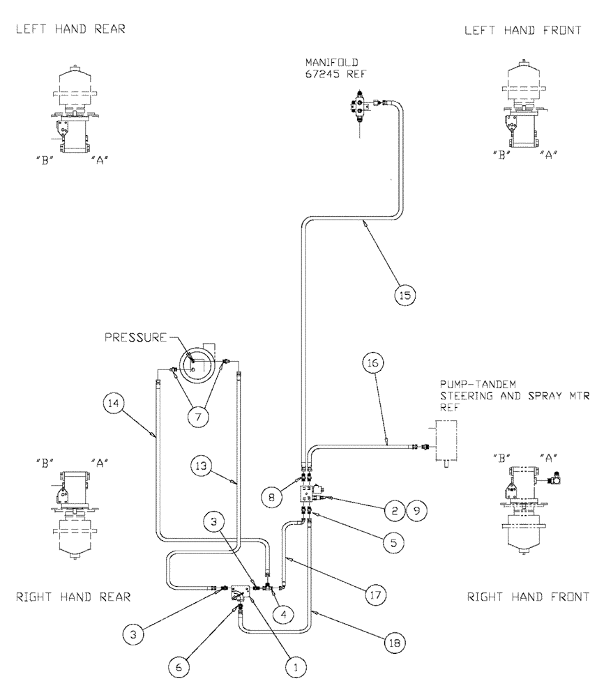
Запчасти Case IH SPX2130 (06-016) - PRODUCT PUMP W/PLUMPING Hydraulic Plumbing

Схема запчастей Case IH SPX2130 - (06-016) - PRODUCT PUMP W/PLUMPING Hydraulic Plumbing
5
1
3
6
15
16
3
18
9
14
2
4
7
13
17
FIT
1:1
100%

Артикул

Название

Примечание

Количество

1

BN65468

REGULATOR

Flow

1шт.

2

BN29970

MANIFOLD

Solenoid & Relief Valve

1шт.

3

BN444008

FITTING

Adapter - O-Ring - 37° Flare 10

2шт.

4

BN53452

TEE

JIC 3/4-16 O-Ring 3/4-16 JIC

1шт.

5

BN444004

FITTING

3шт.

6

BN444009

8 To -8 37Fl

1шт.

7

BN441006

ADAPTER

1/2 NPT-8 JIC

2шт.

8

BN53594

FITTING

Adapter, 90 Degree, Or X 37 JIC

1шт.

9

BN66740

SCREW,Hex, 5/16" - 18 x 4", SST

5/16-18 X 4", HH, SS

1шт.

ns

BN306199

HOSE

Kit-Prod Pump W/Plumbing (Ref # 13-18)

1шт.

13

BN54191

HOSE

Assembly, 1/2" X 16"

1шт.

14

BN53489

HOSE,0.50" ID x 26.00", SAE 100R2

1шт.

15

BN55329

HOSE

Assembly, 1/2" X 20"

1шт.

16

BN49647

Hose Assembly, 1/2" X 62"

1шт.

17

BN309842

Hose Assembly, 1/2 ID x 66 100R2

1шт.

18

BN55150

HOSE

Assembly, 1/2" X 73"

1шт.

Выбрано товаров: 16