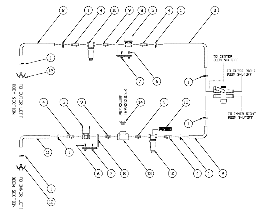
Запчасти Case IH SPX2130 (09-001) - 60, 5 BOOM SHUT OFF , LH BOOM DICKEY- JOHN Liquid Plumbing

Схема запчастей Case IH SPX2130 - (09-001) - 60, 5 BOOM SHUT OFF , LH BOOM DICKEY- JOHN Liquid Plumbing
12
12
9
4
2
2
6
9
1
1
13
8
4
9
11
7
10
1
5
15
8
3
1
5
1
4
1
7
4
14
1
10
6
FIT
1:1
100%

Артикул

Название

Примечание

Количество

1

BN75990

HOSE CLAMP

#16, Stainless Steel

8шт.

2

BN66869

1" EPDM X 116.0"

2шт.

3

BN53758

HOSE,222.00"

1шт.

4

BN53476

FITTING,1" Male NPT x 1" Hose Barb, Poly

1" NPT x 1" Hose Barb, Poly

4шт.

5

87389559

VALVE

Electric, 1" Ball

2шт.

5a

BN53495

VALVE

PP-Ball (2-Way) Ele

2шт.

Parts Of Ball Valve Assembly., P/N "69620"

1шт.

6

BN50211

BOLT

1/4"-20 x .75, HH, G5

4шт.

7

BN50051

NUT,1/4"-20, USR

4шт.

8

BN24083

MOUNTING PLATE

7 GA HRS 3.0 x 5.75/2

2шт.

9

BN73648

NIPPLE

1" Short Poly Pipe

3шт.

10

BN73681

FILTER STRAINER

Assembly 1"-50 Mesh

2шт.

10a

BN73679

FILTER STRAINER

SCREEN, 50 MESH

1шт.

10b

84222934

SCREEN,80 Mesh Screen

80 MESH

1шт.

11

BN53781

1.5" EPDM X 20"

1шт.

12

BN53668

COUPLING

1" Female, HS SHK

2шт.

13

BN73629

TEE

1" Poly Pipe

1шт.

14

BN53665

BUSHING

1" x .75 Poly

1шт.

15

BN67243

DECAL

Strainer Pressure

1шт.

Выбрано товаров: 19