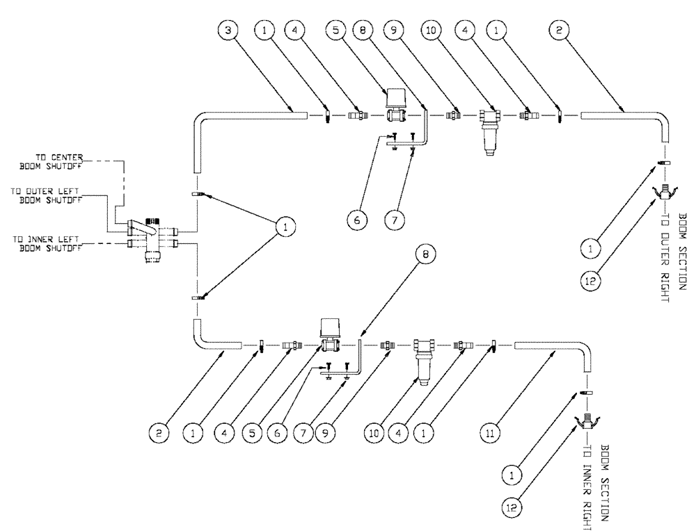
Запчасти Case IH SPX2130 (09-003) - 60, 5 BOOM SHUT OFF, RH BOOM Liquid Plumbing

Схема запчастей Case IH SPX2130 - (09-003) - 60, 5 BOOM SHUT OFF, RH BOOM Liquid Plumbing
12
1
7
8
1
12
5
3
10
1
2
4
4
1
7
11
9
5
1
6
9
4
8
1
4
6
1
10
2
FIT
1:1
100%

Артикул

Название

Примечание

Количество

1

BN75990

HOSE CLAMP

#16, Stainless Steel

8шт.

2

BN66869

1" EPDM X 116.0"

2шт.

3

BN53758

HOSE,222.00"

1шт.

4

BN53476

FITTING,1" Male NPT x 1" Hose Barb, Poly

1" NPT x 1" Hose Barb, Poly

4шт.

5

87389559

VALVE

Electric, 1" Ball

2шт.

5a

BN53495

VALVE

PP-Ball (2-Way) Ele

2шт.

Parts Of Ball Valve Assembly., P/N "69620"

1шт.

6

BN50211

BOLT

1/4"-20 x .75, HH, G5

4шт.

7

BN50051

NUT,1/4"-20, USR

4шт.

8

BN24083

MOUNTING PLATE

7 GA HRS 3.0 x 5.75/2

2шт.

9

BN73648

NIPPLE

1" Short Poly Pipe

2шт.

10

BN73681

FILTER STRAINER

Assembly 1"-50 Mesh

2шт.

10a

BN73679

FILTER STRAINER

SCREEN, 50 MESH

1шт.

10b

84222934

SCREEN,80 Mesh Screen

80 MESH

1шт.

11

BN53871

1" EPDM X 18.0"

1шт.

12

BN53668

COUPLING

1" Female, HS SHK

2шт.

Выбрано товаров: 16