Запчасти Case IH SPX2130 (09-018) - PRODUCT PUMP Liquid Plumbing

Схема запчастей Case IH SPX2130 - (09-018) - PRODUCT PUMP Liquid Plumbing
10
10
9
7
12
4
6
5
1
3
8
2
11
FIT
1:1
100%

Артикул

Название

Примечание

Количество

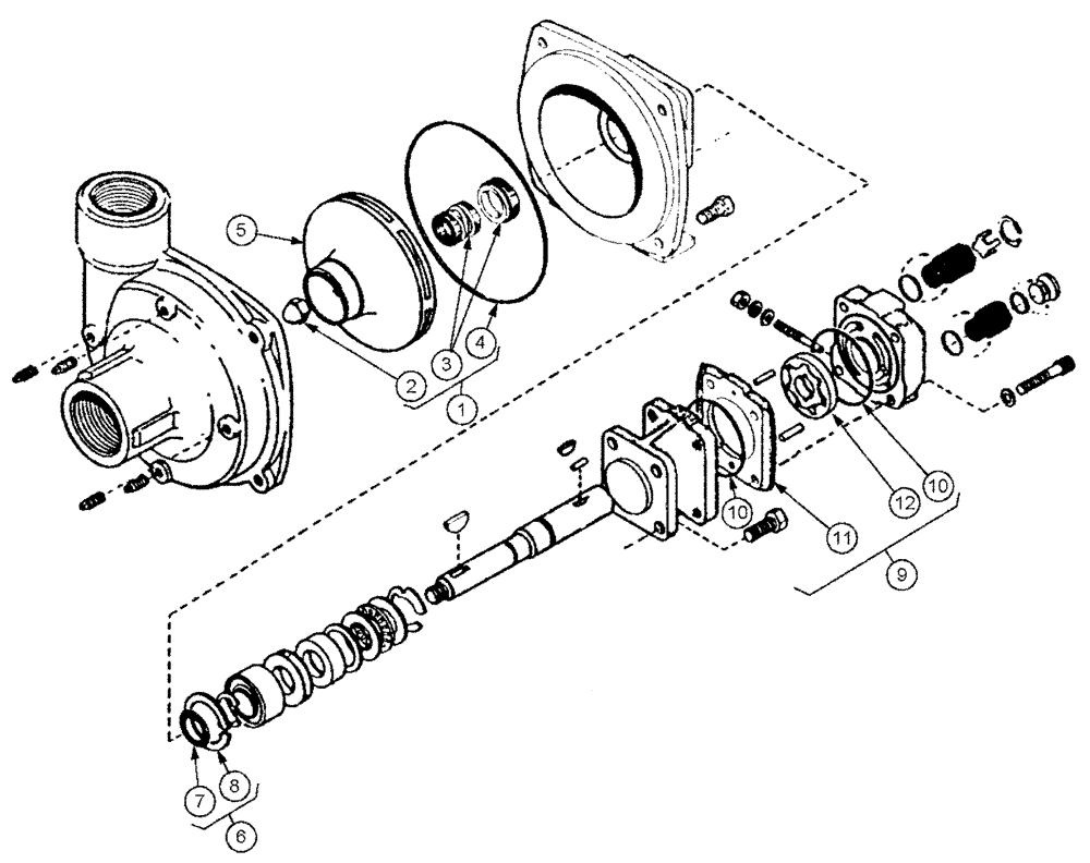
1

BN311826

SEAL KIT

Pump (All Models)

1шт.

Includes Refs. 2, 3, & 4

1шт.

2

BN53693

NUT

Impeller #3

1шт.

3

NSS

NOT SOLD SEPARAT

Mechanical Seal (Vitron) 9303 Model

1шт.

4

NSS

NOT SOLD SEPARAT

O-Ring

1шт.

5

BN53692

IMPELLER

#4

1шт.

6

BN53768

SEAL KIT

Shaft (All Models)

1шт.

Includes Refs. 7 & 8

1шт.

7

NSS

NOT SOLD SEPARAT

Slinger Ring

1шт.

8

NSS

NOT SOLD SEPARAT

Retaining Ring

1шт.

9

BN53769

REPAIR KIT

Gerotor - HM1 Model

1шт.

Includes Refs. 10, 11, & 12

1шт.

9

BN53770

REPAIR KIT

Gerotor -Hm4 Model (11 & 12.30" Wide)

1шт.

Indicates Old Part Number Or Can Order Newer Part Number Listed Above

1шт.

Not Shown

1шт.

Includes Refs. 10, 11, & 12

1шт.

10

NSS

NOT SOLD SEPARAT

O-Ring

2шт.

11

NSS

NOT SOLD SEPARAT

Gerotor Housing

1шт.

12

NSS

NOT SOLD SEPARAT

Gerotor

1шт.

13

BN53771

HYDRAULIC MOTOR

HM1

1шт.

13

BN53772

MOTOR

Hydraulic, Hm4

1шт.

Indicates Old Part Number Or Can Order Newer Part Number Listed Above

1шт.

Not Shown

1шт.

Выбрано товаров: 0