Запчасти Case IH SPX3150 (040) - ENGINE, TURBOCHARGER AND CONNECTIONS, SPX3150 (10) - ENGINE

Схема запчастей Case IH SPX3150 - (040) - ENGINE, TURBOCHARGER AND CONNECTIONS, SPX3150 (10) - ENGINE
3
18
8
4
20
11
19
12
6
4
14
7
15
16
20
20
5
9
8
21
3
19
15
17
1
20
2
10
FIT
1:1
100%

Артикул

Название

Примечание

Количество

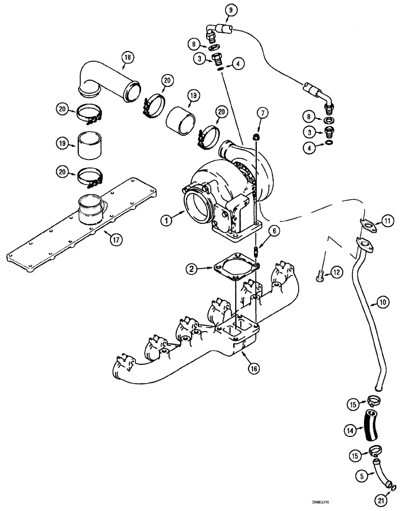
1

TURBOCHARGER, see Figure 044

1шт.

2

J919369

GASKET,0.5mm Thk

SEAL

1шт.

3

J919687

HYD CONNECTOR

ADAPTER, Includes: 4

2шт.

4

238-5013

O-RING,0.07" Thk x 0.426" ID, -13, Cl 5, 75 Duro

1шт.

5

J931973

TUBE,0.875" OD

1шт.

6

J818823

STUD

M1O x 42

4шт.

7

J818824

FLANGE NUT

M10

4шт.

8

86637735

SEAL,9.53mm ID x 13.97mm OD

3/8 Tube, Fl

2шт.

9

J920603

HOSE

Supply

1шт.

10

J944048

TUBE,0.875" OD

drain

1шт.

11

J931350

GASKET

SEAL

1шт.

12

845-8020

BOLT,Hvy Hex, M8 x 20mm, Cl 8.8

2шт.

14

J931970

HOSE,22.22 mm ID x 76.20 mm

1шт.

15

86536660

HOSE CLAMP,25mm - 44mm

2шт.

16

MANIFOLD exhaust, see Figure 036

1шт.

17

MANIFOLD intake, see Figure 036

1шт.

18

J931803

TUBE,63.5 mm OD x 282.11 mm L

1шт.

19

J916529

TRANSMISSION SLEEVE

HOSE, 76 mm, 3 in.

2шт.

20

214-1540

HOSE CLAMP,#40, 2.06" - 3", Type F Worm, W/ Liner

4шт.

21

J931824

O-RING,0.07" Thk x 0.739" ID, -18, Cl 7, 75 Duro

O-RING

1шт.

Выбрано товаров: 20