Запчасти Case IH SPX3150 (244) - DECALS, INTERIOR DECALS (90) - PLATFORM, CAB, BODYWORK AND DECALS

Схема запчастей Case IH SPX3150 - (244) - DECALS, INTERIOR DECALS (90) - PLATFORM, CAB, BODYWORK AND DECALS
8
4
20
5
23
19
15
11
3
24
1
16
6
2
13
10
9
14
7
12
18
17
FIT
1:1
100%

Артикул

Название

Примечание

Количество

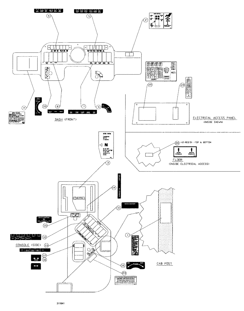
1

87535740

DECAL

electrical shock

1шт.

2

BN324389

DECAL

Hand Control

1шт.

3

333095A1

DECAL

start and shift

1шт.

4

333096A1

DECAL

boom/wheel tread

1шт.

5

BN69137

DECAL

RH lite bar-dash

1шт.

6

BN69138

DECAL

LH lite bar-dash

1шт.

7

BN69139

DECAL

RH Lite Switch Dash

1шт.

8

BN69140

DECAL

LH Function Switch Dash

1шт.

9

BN69141

DECAL

Ignition Dash

1шт.

10

BN69142

DECAL

Turn Signal - Dash

1шт.

11

BN69143

DECAL, boom shutoff, dash

1шт.

12

BN69144

DECAL

boom function, upper, dash

1шт.

13

BN69145

DECAL, boom func. lower, dash

1шт.

14

BN69146

DECAL

Boom (Open-Close) Dash

1шт.

15

BN69147

DECAL

Speed Control Dash

1шт.

16

BN69148

DECAL

Foam Marker (MIN-MAX) Dash

1шт.

17

BN69149

DECAL

axle out, dash

1шт.

18

BN69150

DECAL, axle in, dash

1шт.

19

BN69453

DECAL

fuse and relay, NCB

1шт.

20

BN69489

DECAL

Pressure Line Info-NCB

2шт.

23

BN63916

DECAL

Foam Marker

1шт.

24

BN69616

DECAL

fuse & relay boom center

1шт.

Выбрано товаров: 0