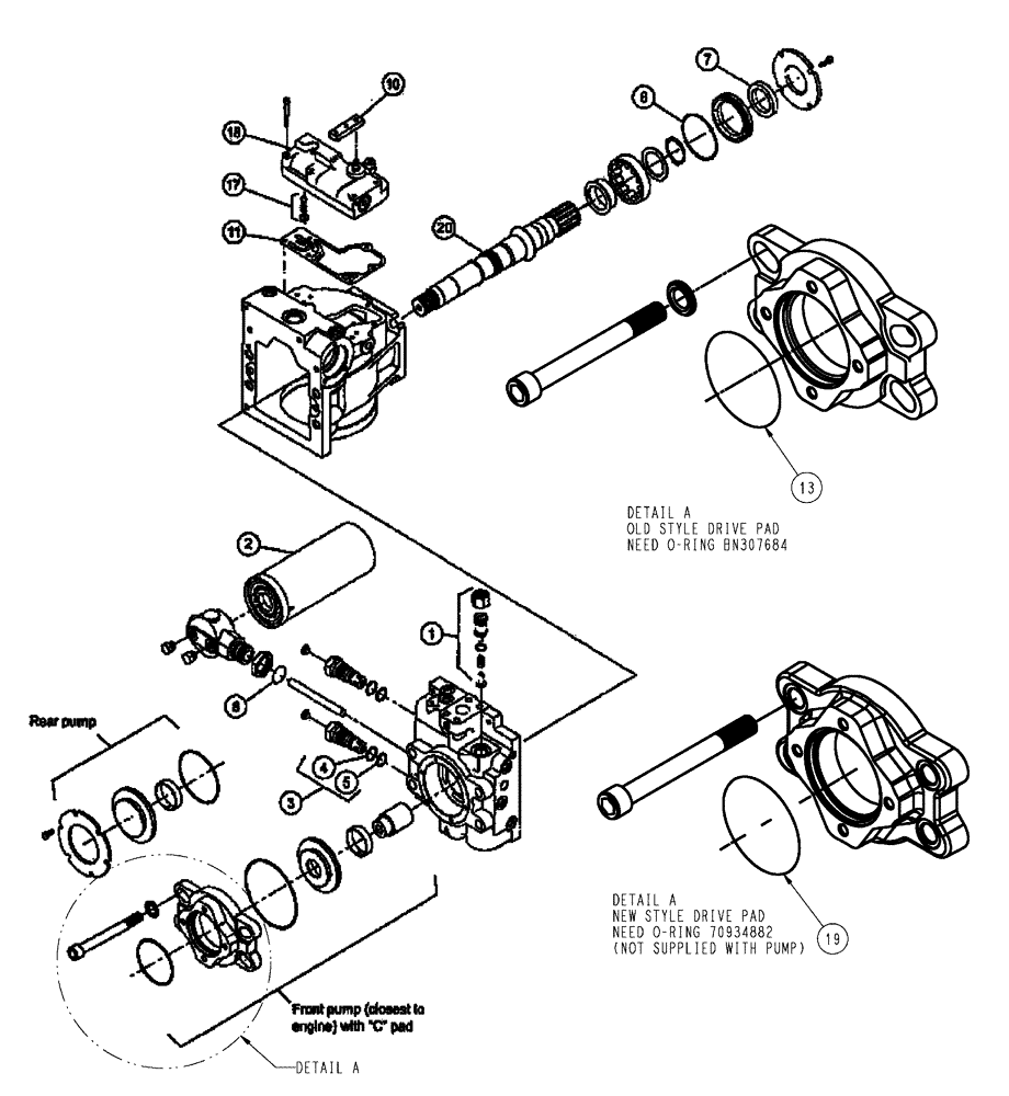
Запчасти Case IH SPX3150 (131) - TANDEM PUMP (35) - HYDRAULIC SYSTEMS

Схема запчастей Case IH SPX3150 - (131) - TANDEM PUMP (35) - HYDRAULIC SYSTEMS
4
8
3
8
11
2
19
17
20
1
13
7
10
18
5
FIT
1:1
100%

Артикул

Название

Примечание

Количество

1

BN300952

KIT

Charge Relief

2шт.

2

N14232

FILTER

Element, Spin On

2шт.

3

BN67191

VALVE PRESSURE RELIE

Multi-Function 90S

4шт.

4

BN65541

O-RING

M/F Valve Upper

4шт.

5

BN65542

O-RING

M/F Valve Lower

4шт.

6

BN68559

RING

SHAFT

1шт.

7

BN68560

SEAL

LIP, SHAFT

1шт.

8

BN68470

O-RING

Filter Head, 90 Pump

2шт.

10

BN67479

HANDLE

SS 90 SERIES PUMP

2шт.

11

BN68558

GASKET

MDC CONTROL

2шт.

13

BN307684

O-RING

SAE pad

1шт.

17

BN68508

O-RING

control shaft

2шт.

18

BN68561

CONTROL

COMPLETE

2шт.

19

70934882

O-RING,0.103" Thk x 4.737" ID, -158, Cl 7, 75 Duro

.103 X 4.737 158 7

1шт.

20

84155746

SHAFT

21T 16/32

1шт.

Выбрано товаров: 15