Запчасти Case IH SPX3150 (142) - HYDRAULIC PLUMBING, 7 BANK DIRECTIONAL VALVE (35) - HYDRAULIC SYSTEMS

Схема запчастей Case IH SPX3150 - (142) - HYDRAULIC PLUMBING, 7 BANK DIRECTIONAL VALVE (35) - HYDRAULIC SYSTEMS
11
4
12
9
13
19
1
2
20
17
3
6
3
18
8
5
21
7
3
15
10
14
16
FIT
1:1
100%

Артикул

Название

Примечание

Количество

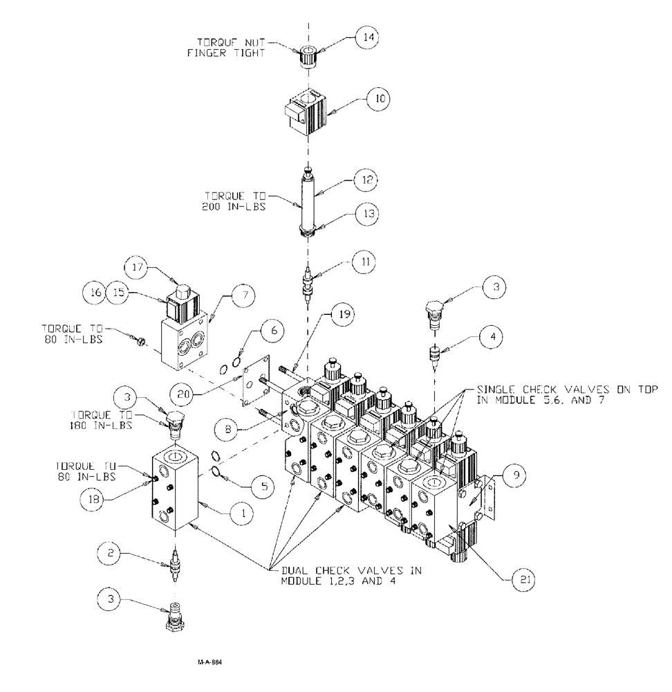
1

BN98677

BLOCK

Check Valve (Dual)

4шт.

2

BN98679

CHECK VALVE

Piston, Dual, 29345

4шт.

3

BN98227

VALVE

Check, 30 PSI, Top & Bottom on Dual Check Module #1, 2, 3, 4, Top only on single check module #5, 6 & 7

11шт.

BN98219

SEAL KIT

11шт.

Service part for BN98227

1шт.

4

BN98680

PISTON

for single check

3шт.

5

BN98225

O-RING

Stacking Valve #29345

14шт.

6

BN98226

O-RING

Sandwich Valve #29345

14шт.

7

BN98336

HYDRAULIC VALVE

BLOCK VALVE, unloader

1шт.

Includes Refs. 15, 16 & 17

1шт.

8

BN98325

BLOCK

Valve (Centers)

6шт.

9

BN98324

BLOCK

End

1шт.

10

BN98222

COIL

W/Wire Leads & Packard ends

14шт.

11

BN98220

SPOOL

7шт.

12

BN98221

TUBE

14шт.

Includes Ref. 13

1шт.

13

BN98224

O-RING

Tube Assy #98221

14шт.

14

BN98223

NUT

14шт.

15

BN98212

COIL

12 VDC Unloader Valve - W/Wire Leads & Packard Ends

1шт.

16

BN98217

CARTRIDGE

Unloader Valve #29345

1шт.

BN98219

SEAL KIT

1шт.

Service part for BN98217

1шт.

17

BN98218

NUT

Unloader Valve #29345

1шт.

18

BN50799

SCREW,1/4" - 20 x 2 1/4", Stainless

1/4 - 20 X 2.25 SS

28шт.

BN50139

WASHER

1/4" spring lock

28шт.

Associate part for BN50799

1шт.

19

BN24141

THREADED TIE-ROD

1/4"-20 x 15-3/4"

4шт.

Shown, or use BN24156

1шт.

7 bank

1шт.

19

BN24156

THREADED TIE-ROD

1/4"-20 x 17-3/4"

4шт.

Not shown, or use BN24141

1шт.

8 bank

1шт.

19

280129

NUT,1/4"-20

4шт.

Associate part for Ref. 19

1шт.

20

86986508

PLATE

Backing, Anodized

7шт.

21

BN98678

BLOCK

check valve, single

3шт.

86986492

HYDRAULIC VALVE

7 Bank

1шт.

Shown, associate part for BN98678 or use BN25223A

1шт.

BN25223A

HYDRAULIC VALVE

8 bank, Waterman, complete

1шт.

Not shown, or use BN29345A

1шт.

BN25229

SHIELD

7 & 8 Bank Valve - Cover

1шт.

Associate part for BN25223A

1шт.

BN25230

MOUNTING PLATE

7 & 8 Bank Valve Cover

1шт.

Associate part for BN25223A

1шт.

Выбрано товаров: 44