Запчасти Case IH SPX3185 (284) - ELECTRICAL, RAVEN CONTROLLER (55) - ELECTRICAL SYSTEMS

Схема запчастей Case IH SPX3185 - (284) - ELECTRICAL, RAVEN CONTROLLER (55) - ELECTRICAL SYSTEMS
3
5
1
6
7
8
4
2
FIT
1:1
100%

Артикул

Название

Примечание

Количество

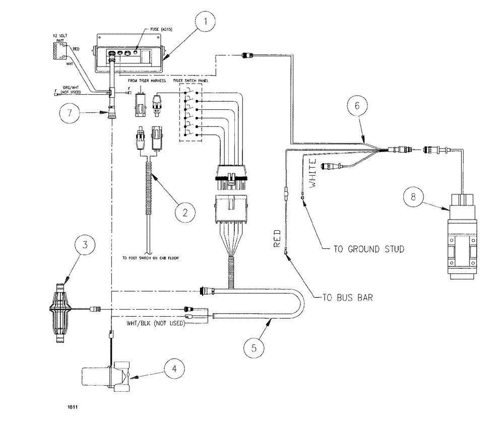
1

BN300981

CONTROL UNIT

Raven 460

1шт.

BN69629

SUPPORT

Raven Controller

1шт.

Associate part for BN300981

1шт.

2

BN67529

WIRE HARNESS

WIRE HARNESS

1шт.

3

87378188

REPAIR KIT

Raven RFM60 Flow Meter With Adaptor Harness

1шт.

4

BN302855

VALVE

1 1/2" 440 Assembly

1шт.

5

BN300942

ELECTRIC CABLE

REWORK , flow cable

1шт.

6

BN24519

CABLE

Radar With AGC1 Fuse

1шт.

7

BN69537

CABLE

console - 3'

1шт.

8

BN95030A

RADAR

Ground Speed

1шт.

8

BN95030AR

SENSOR

SPX3150, SPX3185, Both PATRIOT SPRAYER, Ground Speed (5/99-8/02)

1шт.

8

BN95030AC

CORE-SENSOR

Return Number

1шт.

BN98411

BRACKET

Kit, Mtg - Radar Gun

1шт.

Associate part for BN95030A

1шт.

Выбрано товаров: 14