Запчасти Case IH SPX3185 (172) - LIQUID PLUMBING, FOAM MARKER, HIGH VOLUME (78) - SPRAYING

Схема запчастей Case IH SPX3185 - (172) - LIQUID PLUMBING, FOAM MARKER, HIGH VOLUME (78) - SPRAYING
2
33
10
7
29
26
15
19
23
27
25
21
24
22
13
28
5
34
9
12
31
6
16
11
30
8
1
3
14
32
4
20
27
28
FIT
1:1
100%

Артикул

Название

Примечание

Количество

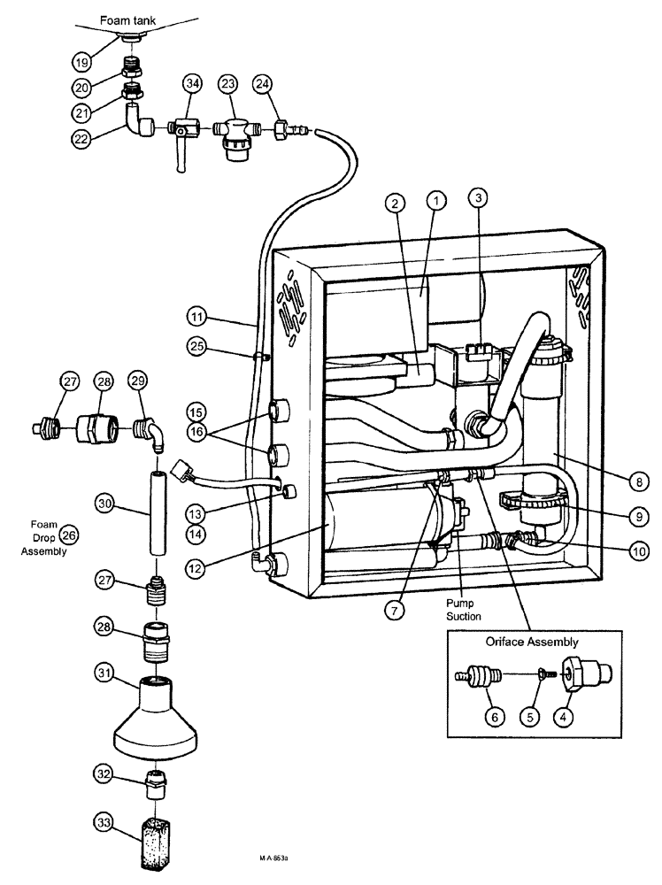
1

BN27463

AIR COMPRESSOR

1шт.

BN309922

SEAL KIT

air compressor

1шт.

2

BN27466

FILTER

Breather

1шт.

3

BN63912

HYDRAULIC VALVE

directional

1шт.

4

BN27467

ORIFICE

Assy - Liquid Inlet

1шт.

Includes Refs. 5 & 6

1шт.

5

BN27471

FILTER

100 Mesh

1шт.

6

BN73457

FITTING

BARB, 3/8" NPT x 1/4"

1шт.

7

BN73408

TEE

pump output

1шт.

8

BN63913

TUBE

MIX, with hose fittings

1шт.

9

BN53888

PIPE CLAMP

mix tube

2шт.

10

BN27472

CHECK VALVE

Air Inlet 1/4" NPT X 3/8" Barb

1шт.

11

BN68320

HOSE, 1/2" x 120"

1шт.

BN75956

CLAMP

#10 SS

2шт.

Associate part for BN68320

1шт.

12

BN27469

PUMP

Liquid

1шт.

13

BN73403

PIPE FITTING,1/4" Male Thread x 1/4" Hose Barb

BARB, 1/4" NPT x 1/4"

1шт.

14

BN75925

FLEXIBLE HOSE

1/4" x 120"

1шт.

To Gauge

1шт.

BN76094

HOSE CLAMP

SS #M4

2шт.

Associate part for BN75925

1шт.

15

BN73519

ELBOW

1/2" NPT x 3/4" Hose Barb

2шт.

16

BN75979

TUBE

Hose - 3/4" EVA x 50'

2шт.

BN75978

HOSE CLAMP

SS, No. 12 adj., HS, .56-1.25

4шт.

Associate part for BN75979

1шт.

17

BN73409

ELBOW

90°, 1/4" NPT x 3/8", Barb

1шт.

19

BN73733

FITTING

1 1/2" Bulkhead

1шт.

20

BN73716

BUSHING,1-1/2" Male NPT x 3/4" Female NPT, Poly

1.5 x .75 Reducer Poly

1шт.

21

BN73552

BUSHING,3/4" MPT x 1/2"FPT Reducing Bushing

BUSHING, 3/4" x 1/2" NPT

1шт.

22

BN73511

FITTING

90° 1/2" Female NPT x 1/2" Male NPT

1шт.

23

BN27473

FILTER STRAINER

Line, 80 Mesh

1шт.

24

BN73518

FITTING

Barb - 1/2" Female NPT x 1/2" Barb

1шт.

25

86624005

CLAMP,19mm, Coat, 10.3mm Bolt Hole, P Type

1шт.

26

BN27474

FOAM

Drop Assembly, Complete

2шт.

Includes Refs. 27 - 33

1шт.

27

BN53666

FITTING

BARB, 1" NPT x 3/4"

4шт.

28

BN73683

COUPLING

1" NPT

4шт.

29

BN73684

ELBOW

90° 1" MPT x 3/4" Barb

2шт.

30

BN75981

TUBE

3/4" EVA x 12"

2шт.

BN75978

HOSE CLAMP

SS, No. 12 adj., HS, .56-1.25

4шт.

Associate part for BN75981

1шт.

31

BN27475

FOAM

BELL, Drop

2шт.

BN76093

HOSE CLAMP

#28, SS

2шт.

Associate part for BN27475

1шт.

32

BN73648

NIPPLE

1" Short Poly Pipe

2шт.

33

BN27462

SCREEN

2шт.

34

BN63914

HYDRAULIC VALVE

shut off

1шт.

BN27461

GAUGE

Pressure 0-60 psi

1шт.

Not Shown

1шт.

BN73410

BARB, 1/4" guage

1шт.

Not Shown

1шт.

BN27460

SPEED CONTROL

1шт.

Not Shown

1шт.

BN63568

MOUNT, 3/8 x 2-1/2 x 8

2шт.

Not Shown

1шт.

BN63569

MOUNT, 3/8 x 2-1/2 x 4-3/4

2шт.

Not Shown

1шт.

Выбрано товаров: 0