Запчасти Case IH SPX3185 (06-018) - HYDRAULIC PLUMBING - 7-BANK DIRECTIONAL VALVE Hydraulic Plumbing

Схема запчастей Case IH SPX3185 - (06-018) - HYDRAULIC PLUMBING - 7-BANK DIRECTIONAL VALVE Hydraulic Plumbing
4
12
b
13
d
19
3
10
l
k
i
3
1
f
e
c
c
17
6
a
2
j
14
6
11
21
h
5
FIT
1:1
100%

Артикул

Название

Примечание

Количество

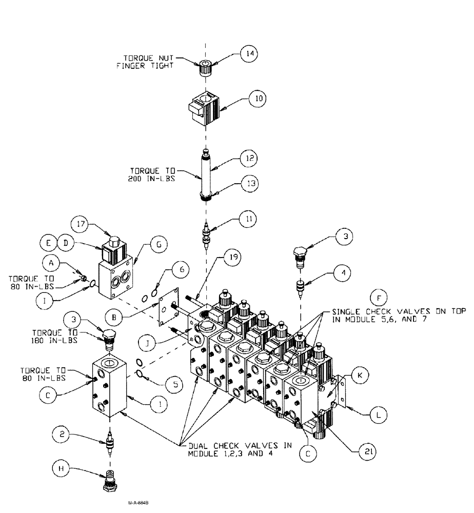
a

280129

NUT,1/4"-20

8шт.

b

86986508

PLATE

Backing, Anodized

7шт.

ns

86986509

CAP

vinyl, valve bank

14шт.

Not Shown

1шт.

c

86986510

SCREW,Hex, 1/4" - 20 x 1 3/4"

1/4-20 X 1.75, SHCS, SS

28шт.

d

86986519

SOLENOID VALVE

Waterman

1шт.

e

86986520

COIL

lead wire, 12VDC

1шт.

f

86986521

HYDRAULIC VALVE

Check Single p.o.

3шт.

g

86986522

VALVE

Inlet Section

1шт.

h

BN300970

CHECK VALVE,3/4" - 16

100 Lb. Wtrmn

11шт.

i

BN50139

WASHER

1/4" spring lock

8шт.

j

BN66709

HYDRAULIC VALVE

VALVE, middle directional

6шт.

k

BN66710

CONTROL VALVE

VALVE, end directional

1шт.

l

BN67858

MOUNTING PARTS

waterman valve

2шт.

1

BN98677

BLOCK

For 29345A (Dual)

4шт.

2

BN98679

CHECK VALVE

Piston, Dual, 29345

4шт.

4

BN98680

PISTON

VALVE piston chk sing 29345

3шт.

5

BN98225

O-RING

Stacking Valve #29345

14шт.

6

BN98226

O-RING

Sandwich Valve #29345

14шт.

10

BN98222

COIL

W/Wire Lead & Pack-End

14шт.

19

BN24141

THREADED TIE-ROD

1/4"-20 x 15-3/4"

4шт.

Выбрано товаров: 21