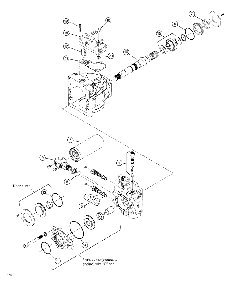
Запчасти Case IH SPX3185 (06-028) - HYDRAULIC PLUMBING - HYDROSTATIC PUMP Hydraulic Plumbing

Схема запчастей Case IH SPX3185 - (06-028) - HYDRAULIC PLUMBING - HYDROSTATIC PUMP Hydraulic Plumbing
8
3
6
14
19
20
18
13
2
12
5
11
17
9
1
15
4
7
16
10
FIT
1:1
100%

Артикул

Название

Примечание

Количество

1

BN300952

KIT

Charge Relief

1шт.

2

N14232

FILTER

Element, Spin On

1шт.

Part available only through Case's Global After Sales Organization.

1шт.

3

BN67191

VALVE PRESSURE RELIE

Multi-function, 90S

2шт.

4

BN65541

O-RING

M/F Valve Upper

2шт.

5

BN65542

O-RING

M/F Valve Lower

2шт.

6

BN65544

O-RING

Shaft, 75 CC

1шт.

7

BN65546

SEAL

Lip, Shaft 75 CC

1шт.

8

BN68470

O-RING

Filter Head, 90 Pump

1шт.

9

BN69597

FILTER HEAD

fltr, 90ser, head only

1шт.

10

BN67479

HANDLE

SS 90 series pump

1шт.

11

BN68509

GASKET

Control Body

1шт.

12

BN312703

O-RING

charge pump cover

1шт.

13

BN307684

O-RING

SAE pad

1шт.

14

BN312705

O-RING,0.103" Thk x 4.737" ID, -158, Cl 7, 75 Duro

Auxiliary Flange

1шт.

15

BN312706

BEARING, ROLLER,40mm ID x 90mm OD x 23mm W

1шт.

16

BN318289

SHAFT

14T 12/24, rear pump

1шт.

16

BN318290

SHAFT

23T 16/32, front pump, Serial Range: closest-engine

1шт.

17

BN318291

KIT

control orifice

1шт.

18

BN68507

CONTROL

HDC, complete

1шт.

19

BN318292

SCREW

6шт.

20

BN68508

O-RING

control shaft

2шт.

Выбрано товаров: 22