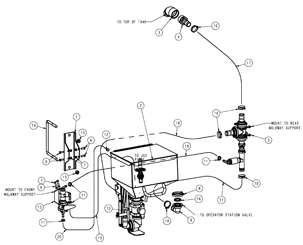
Запчасти Case IH SPX3200 (11-007) - CHEMICAL INDUCTOR GROUP Options

Схема запчастей Case IH SPX3200 - (11-007) - CHEMICAL INDUCTOR GROUP Options
11
18
11
6
17
10
15
4
12
14
1
10
6
15
10
19
10
8
13
19
2
10
16
17
11
9
20
6
7
3
7
5
FIT
1:1
100%

Артикул

Название

Примечание

Количество

1

342643A1

MOUNTING PLATE

Chemical Inductor

1шт.

2

BN324763

TANK

Chemical Inductor Tank Group, With Linkage

1шт.

See Fig. 11-008

1шт.

3

BN73793

ELBOW,45 Degree Elbow, 2" Female NPT x 2" Female NPT, Poly

Elbow-45 STR 2" NPT Poly

1шт.

4

BN305163

FITTING,2" - 11-1/2 Male NPT x 1-1/2" Hose Barb, Poly

2" NPT x 1.5" Hose Barb

1шт.

5

NS

NOT SERVICED

Group, Venturi, Chemical Inductor

1шт.

See Fig. 11-009

1шт.

6

BN50254

BOLT,3/8"-16 x 1", Stainless

6шт.

7

BN50759

LOCK NUT,3/8"-16, Nylon, Stainless

6шт.

8

BN303199

CLAMP,2" Flange

2" Standard Flange

1шт.

9

BN304321

FITTING,2" Flange x 1-1/2" 90 Degree Hose Barb Elbow

2" Flange x 1 1/2" Hose Barb, Poly

1шт.

10

BN310448

HOSE CLAMP

#28, Stainless Steel

6шт.

11

BN324022

HOSE CLAMP

#8, Stainless Steel

4шт.

12

87487826

CLAMP,0.44" - 0.78"

HOSE, 60.78/0.44 M SST 300

2шт.

13

NS

NOT SERVICED

Rinse Valve, Chemical Inductor

1шт.

See Fig. 11-010

1шт.

14

BN325918

U-BOLT

U, M16, 187 x 256

1шт.

15

412066

NUT,M16 x 2.0, Cl 8

2шт.

16

BN303204

GASKET,1-1/2" EPDM Gasket

2" Flange, EPDM

1шт.

17

BN321053

HOSE,1.50" ID x 55.00"

Kanaflex

20шт.

18

BN322958

FLEXIBLE HOSE,1.50" ID x 90.00"

Kanaflex

17шт.

19

BN314453

HOSE,0.50" ID x 50.00"

EPDM

2шт.

20

BN314452

HOSE,0.50" ID x 30.00"

EPDM

1шт.

Выбрано товаров: 23