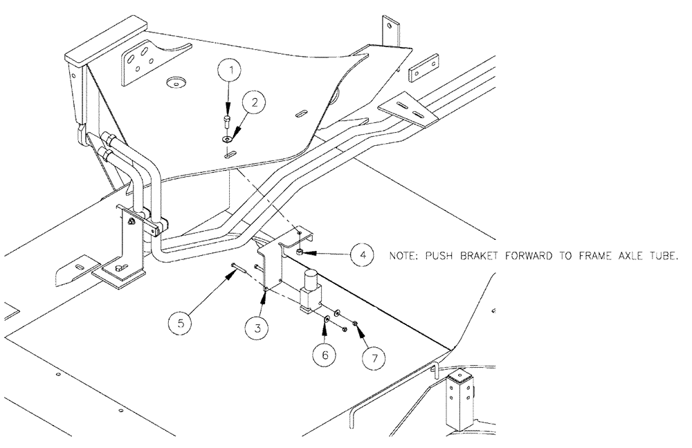
Запчасти Case IH SPX3200 (04-024) - BRAKE VALVE MOUNT GROUP Suspension & Frame

Схема запчастей Case IH SPX3200 - (04-024) - BRAKE VALVE MOUNT GROUP Suspension & Frame
6
4
3
1
2
7
5
FIT
1:1
100%

Артикул

Название

Примечание

Количество

1

88206

BOLT,Hex, 3/8" - 16 x 1", Gr 5

1шт.

2

BN50145

WASHER

3/8, FW, G5

1шт.

3

86986454

BRACKET, SUPPORTING

Mount, Brake Valve

1шт.

4

88902

NUT,3/8"-16

1шт.

5

87404

BOLT,Hex, 1/4" - 20 x 2", Gr 5

2шт.

6

87529236

WASHER,0.28" ID x 0.62" OD x 0.07" Thk

0.281 X 0.625 X 0.065 HTS DOR HDN

2шт.

7

280129

NUT,1/4"-20

2шт.

Выбрано товаров: 0