Запчасти Case IH SPX3200 (12-013) - HARNESS FLOW DIAGRAM (06) - ELECTRICAL

Схема запчастей Case IH SPX3200 - (12-013) - HARNESS FLOW DIAGRAM (06) - ELECTRICAL
FIT
1:1
100%

Артикул

Название

Примечание

Количество

NS

NOT SERVICED

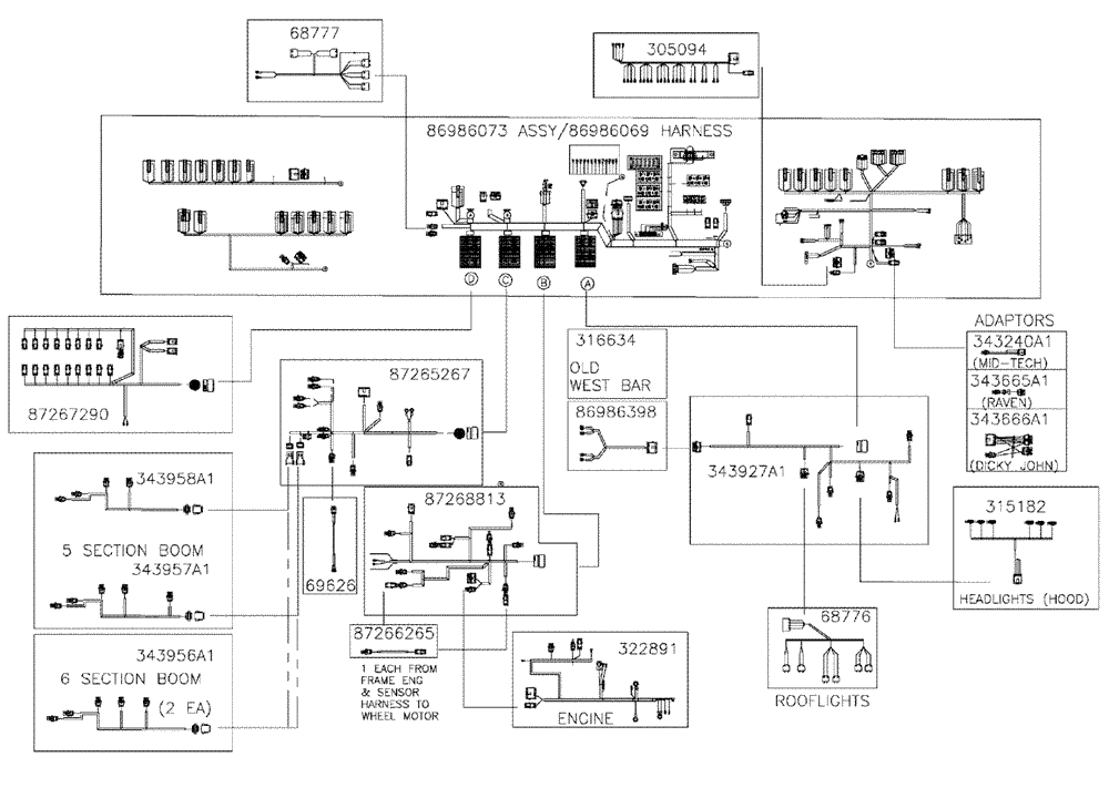
Harness Flow Diagram

1шт.

86986069

HARNESS

Main Cab 781D

1шт.

86986073

HARNESS

Panel, Electric Assembly

1шт.

BN305094

HARNESS

CAB GAGE ASS'Y

1шт.

BN68777

WIRE HARNESS

Cab Auxiliary Supply

1шт.

87267290

WIRE HARNESS

Valve Bank 781D

1шт.

343958A1

HARNESS

5 section RH boom

1шт.

343957A1

HARNESS

5 section LH boom

1шт.

343956A1

HARNESS

6 section boom

2шт.

87265267

WIRE HARNESS

Product

1шт.

87265264

RELAY

Power, Boom Shut-Off, Product Harness

1шт.

BN69626

HARNESS

flowmeter adapter

1шт.

87268813

WIRE HARNESS

Engine & Sensor 785A

1шт.

87266265

WIRE HARNESS

WHEEL EXTENSION

4шт.

BN322891

WIRE HARNESS

CDC 200 Engine

1шт.

BN316634

WIRE HARNESS

lights, C section

1шт.

86986398

WIRE HARNESS

Stop/Tail/Turn

1шт.

343927A1

WIRE HARNESS

FRAME LITES

1шт.

BN68776

WIRE HARNESS

Work Lights

1шт.

BN315182

HARNESS

lights, hood

1шт.

343240A1

WIRE HARNESS

Mid-Tech Adaptor

1шт.

343665A1

WIRE HARNESS

Raven Adaptor

1шт.

343666A1

WIRE HARNESS

Dicky-John Adaptor

1шт.

Выбрано товаров: 23