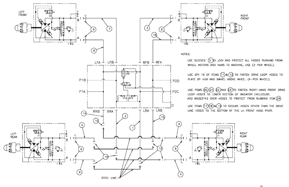
Запчасти Case IH SPX3200 (06-003) - DRIVE LOOP ASSEMBLY Hydraulic Plumbing

Схема запчастей Case IH SPX3200 - (06-003) - DRIVE LOOP ASSEMBLY Hydraulic Plumbing
6
14
16
9
15
1
9
10
10
7
5
9
4
10
2
4
9
8
FIT
1:1
100%

Артикул

Название

Примечание

Количество

1

BN315470

HOSE ASSY.

16 X 22"

1шт.

2

BN315471

HOSE ASSY.

16 X 27"

1шт.

3

BN315983

HOSE ASSY.,19.05mm ID x 5334mm L

12 X 210"

1шт.

4

BN315984

HOSE ASSY.,19.05mm ID x 2794mm L

12 X 110"

2шт.

5

BN315985

HOSE ASSY.,19.05mm ID x 2794mm L

12 X 110"

1шт.

6

BN315986

HOSE ASSY.,19.05mm ID x 2844.8mm L

12 X 112"

1шт.

7

BN315987

HOSE ASSY.,19.05mm ID x 3251.2mm L

12 X 128"

1шт.

8

BN315988

HOSE ASSY.,19.05mm ID x 3302mm L

12 X 130"

1шт.

9

BN52315

KIT

1" Split Flange Code 62

8шт.

BN52317

O-RING

For 52315 (FK-16H)

1шт.

Service Parts For Ref. 9

1шт.

10

BN53730

O-RING,0.07" Thk x 0.926" ID, -21, Cl 6, 90 Duro

ARP Standard #021

8шт.

11

BN57235

CLAMP

Assy, 1"

16шт.

12

86632587

WASHER,0.28" ID x 0.62" OD x 0.07" Thk

18шт.

13

BN307990

SLEEVE

Hose 15" X 45"

8шт.

14

BN318762

HOSE ASSY.

16 X 19.50"

1шт.

15

BN318763

HOSE ASSY.

16 X 24.50"

1шт.

16

BN320120

HOSE,19.05mm ID x 5130.8mm L

Assembly, 12 X 202"

1шт.

17

BN570018

CLAMP

Vinyl Coated 1-7/16

1шт.

18

280129

NUT,1/4"-20

1шт.

19

87529236

WASHER,0.28" ID x 0.62" OD x 0.07" Thk

0.281 X 0.625 X 0.065 HTS DOR HDN

1шт.

20

BN309849

CLAMP

Dual, 1.25 Tube

1шт.

21

BN309848

SCREW,Hex, 5/16" - 18 x 3", SST

1шт.

22

BN309850

PLATE

Top, Dual, Size 5

1шт.

23

BN55361

NUT,5/16"-18, Nylon, Stainless

1шт.

24

BN322743

SLEEVE

Hose, 2.38 UD X 18

2шт.

Выбрано товаров: 26