Запчасти Case IH SPX3200 (06-016) - BOOM HYDRAULIC GROUP Hydraulic Plumbing

Схема запчастей Case IH SPX3200 - (06-016) - BOOM HYDRAULIC GROUP Hydraulic Plumbing
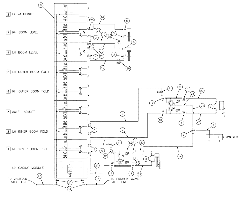
22
26
12
11
18
16
3
17
11
3
27
3
1
3
10
8
23
3
3
12
22
1
1
22
7
28
23
6
14
1
9
24
3
28
22
6
20
10
24
15
16
2
24
18
26
25
5
17
21
3
5
FIT
1:1
100%

Артикул

Название

Примечание

Количество

2

BN22159

TEE

3/4-16 37°

1шт.

3

BN22160

ELBOW

90° 9/16-18 O-Ring X 7/16-20 JIC

12шт.

4

86637953

WASHER,0.34" ID x 0.69" OD x 0.09" Thk

4шт.

6

BN319394

HOSE

Assembly, 4 X 129"

2шт.

7

BN319395

HOSE

Assembly, 4 X 131"

1шт.

8

86986494

HYDRAULIC VALVE

Control 8 Bank CR

1шт.

See Fig. 06-023

1шт.

9

BN315697

HOSE ASSY.

8 X 190"

1шт.

10

BN319199

HOSE

4 X 200"

2шт.

11

BN316137

ORIFICE

6 X -6 (.038)

2шт.

12

BN445005

ADAPTER

adapter-90 37 flr 08

2шт.

13

88346

BOLT,Hex, 5/16" - 18 x 2 1/2", Gr 5

4шт.

14

BN53027

HOSE ASSY.

1/2" 100R1 X 36"

1шт.

15

BN53707

FITTING

E, 90 Degree, 3/4-16 JIC ML & FML

2шт.

16

BN21249

ADAPTER,3/4" - 16 ORFS x 7/16" - 20 JIC

2шт.

17

BN53818

HOSE

1/2" ID x 66", 100R2

2шт.

18

BN319200

HOSE

4 X 182"

2шт.

19

280736

NUT,5/16"-18, GC

4шт.

20

BN60440

ADAPTER

STR "O" Ring

2шт.

21

BN67131

HYDRAULIC HOSE

1/2" 100R1 x 44"

1шт.

22

BN67538

HOSE ASSY.

1/4" ID X 24"

4шт.

23

BN444004

FITTING

Adapter -O-Ring 37 Flare

2шт.

24

BN322491

VALVE SECTION

Double Relief

2шт.

See Fig. 06-030

1шт.

25

BN51589

FITTING

Adapter, STR, 37 FLR X 9/16 Or

2шт.

26

BN55333

ADAPTER

4 JIC, Swivel, 90

2шт.

27

BN319396

HOSE

Assembly, 4 X 127"

1шт.

28

BN323029

ORIFICE

4 JIC (.052)

1шт.

Выбрано товаров: 28