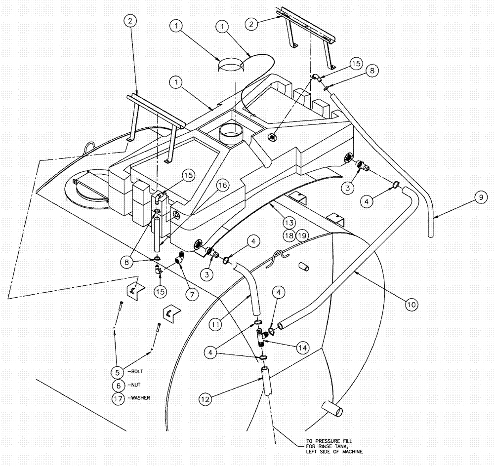
Запчасти Case IH SPX3200 (09-010) - RINSE TANK GROUP Liquid Plumbing

Схема запчастей Case IH SPX3200 - (09-010) - RINSE TANK GROUP Liquid Plumbing
18
4
1
11
10
15
3
4
1
4
8
2
3
5
17
8
4
15
14
16
6
13
2
19
7
15
9
1
12
FIT
1:1
100%

Артикул

Название

Примечание

Количество

1

BN321007

TANK

top mount, eliptical, 70 gallon

1шт.

BN314276

COVER

(35 Gallon Poly Tank)

1шт.

Service Parts For Ref. 1

1шт.

2

BN323384

BRACKET

Hold Down, Rinse Tank

2шт.

3

87743696

FITTING

1-1/4" NPT X 1-1/4" Hose Barb, Poly

2шт.

4

BN310447

HOSE CLAMP

#20, Stainless Steel

5шт.

5

BN50267

BOLT,3/8"-16 x 2", Stainless Steel

4шт.

6

BN50759

LOCK NUT,3/8"-16, Nylon, Stainless

4шт.

7

BN73566

ELBOW,3/4" Male NPT x 3/4" Female NPT, Poly

90, Street, 3/4" Poly

1шт.

8

BN310446

HOSE CLAMP

#12, Stainless Steel

3шт.

9

BN320451

HOSE,0.75" ID x 81.50"

1шт.

10

BN324916

HOSE,1.25" ID x 57.00"

Type K

1шт.

11

BN324914

HOSE,1.25" ID x 19.00"

Type K

1шт.

12

342070A1

HOSE

1.25" X 72", Type K

1шт.

13

BN322565

RUBBER

Mast, 139" X 1/8 X 6

1шт.

14

BN317579

TEE

Hose Barb, 1 1/4"

1шт.

15

BN73562

FITTING,3/4" Male Thread x 3/4" 90 Degree Hose Barb

3/4" NPT x 3/4" Hose Barb, 90°

3шт.

16

BN322785

FLEXIBLE HOSE,0.75" ID x 11.00"

Clear

1шт.

17

BN50146

WASHER,3/8", Stainless

8шт.

18

BN323330

FOAM INSULATION

Blanket, Rinse Tank

2шт.

19

BN324583

FOAM

Blanket

2шт.

Выбрано товаров: 21