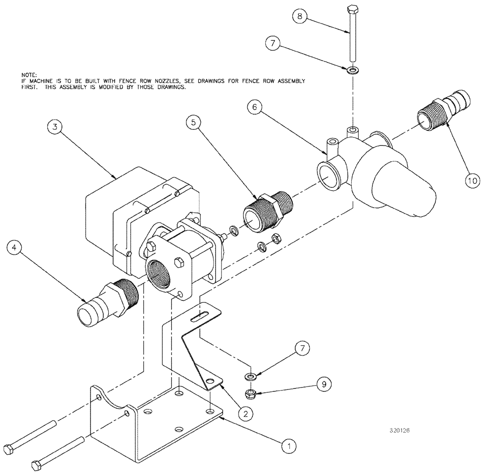
Запчасти Case IH SPX3200 (09-017) - VALVE PLUMBING GRP, 5 SECT OUTER Liquid Plumbing

Схема запчастей Case IH SPX3200 - (09-017) - VALVE PLUMBING GRP, 5 SECT OUTER Liquid Plumbing
7
2
6
9
3
7
8
1
10
5
4
FIT
1:1
100%

Артикул

Название

Примечание

Количество

1

BN319996

BRACKET

NPT Ball Valve

1шт.

2

BN320813

BRACKET

Strainer, R Boom

1шт.

3

87268179

VALVE

1.25" Ball, Electric, Start Serial: 5736

1шт.

See Fig. 09-023

1шт.

4

87743696

FITTING

1-1/4" NPT X 1-1/4" Hose Barb, Poly

1шт.

5

BN73656

NIPPLE,1-1/4" Male NPT x 1" Male NPT, Poly

1-1/4" NPT x 1" NPT, Poly

1шт.

6

BN320072

FILTER STRAINER

1" NPT, 50 Mesh, Poly

1шт.

See Fig. 09-022

1шт.

7

BN50142

WASHER,5/16", Stainless Steel

2шт.

8

BN320109

BOLT,5/16"-18 X 3.50", Stainless

1шт.

9

BN55361

NUT,5/16"-18, Nylon, Stainless

1шт.

10

BN53476

FITTING,1" Male NPT x 1" Hose Barb, Poly

1" NPT x 1" Hose Barb, Poly

1шт.

Выбрано товаров: 12