Запчасти Case IH SPX3200 (03-068) - SOLENOID MOUNT ASSEMBLY (55) - ELECTRICAL SYSTEMS

Схема запчастей Case IH SPX3200 - (03-068) - SOLENOID MOUNT ASSEMBLY (55) - ELECTRICAL SYSTEMS
5
6
1
3
7
9
4
2
FIT
1:1
100%

Артикул

Название

Примечание

Количество

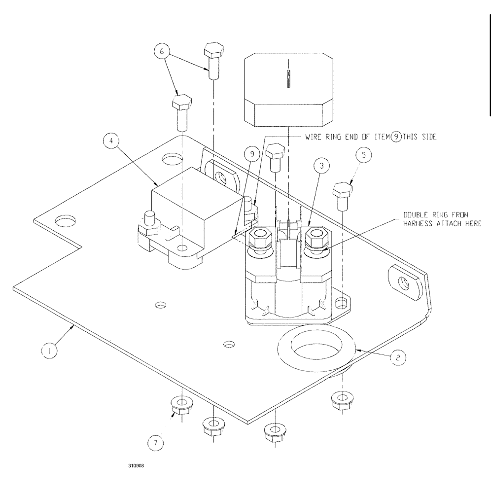
1

BN310891

MOUNTING PARTS

solenoid

1шт.

2

BN309732

GROMMET

RUBBER, 1.50 ID

1шт.

3

178149A1

SOLENOID SWITCH

Starter Relay

1шт.

4

BN69860

CIRCUIT BREAKER

150A

1шт.

5

BN50209

BOLT

1/4"-20 x .5, HH, 5, PL

2шт.

6

9707580

BOLT,Hex, 1/4" - 20 x 3/4", Gr 5, Full Thd

2шт.

7

280129

NUT,1/4"-20

4шт.

9

BN320105

CABLE

POS, C.B./RELAY

1шт.

ns

BN313034

PROTECTIVE COVER

shield, solenoid and relay

1шт.

BN50146

WASHER,3/8", Stainless

2шт.

Indicates service parts for above Ref. number

1шт.

BN50250

BOLT,3/8"-16 x 3/4", Stainless Steel

2шт.

Indicates service parts for above Ref. number

1шт.

Выбрано товаров: 13