Запчасти Case IH SPX3200 (12-008) - RAVEN CONTROLLER (78) - SPRAYING

Схема запчастей Case IH SPX3200 - (12-008) - RAVEN CONTROLLER (78) - SPRAYING
3
2
1
4
5
FIT
1:1
100%

Артикул

Название

Примечание

Количество

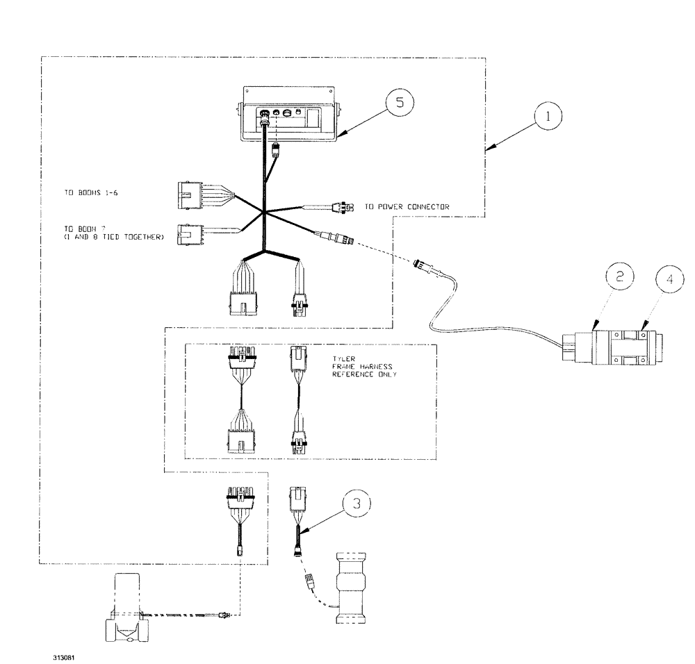
1

BN313986

CONTROL

system, Raven SCS 460

1шт.

BN306824

HARNESS

valve, extension

1шт.

BN314211

WIRE HARNESS

Console

1шт.

BN323406

CONTROL UNIT

Raven SCS 460

1шт.

2

BN95030A

RADAR

Ground Speed

1шт.

2

BN95030AR

SENSOR

SPX3200 SPX-SERIES PATRIOT SPRAYER, Ground Speed (11/01-10/02)

1шт.

2

BN95030AC

CORE-SENSOR

Return Number

1шт.

3

BN69626

HARNESS

flowmeter adapter

1шт.

4

BN98411

BRACKET

Kit, Mtg - Radar Gun

1шт.

5

BN69629

SUPPORT

Raven Controller

1шт.

Выбрано товаров: 10