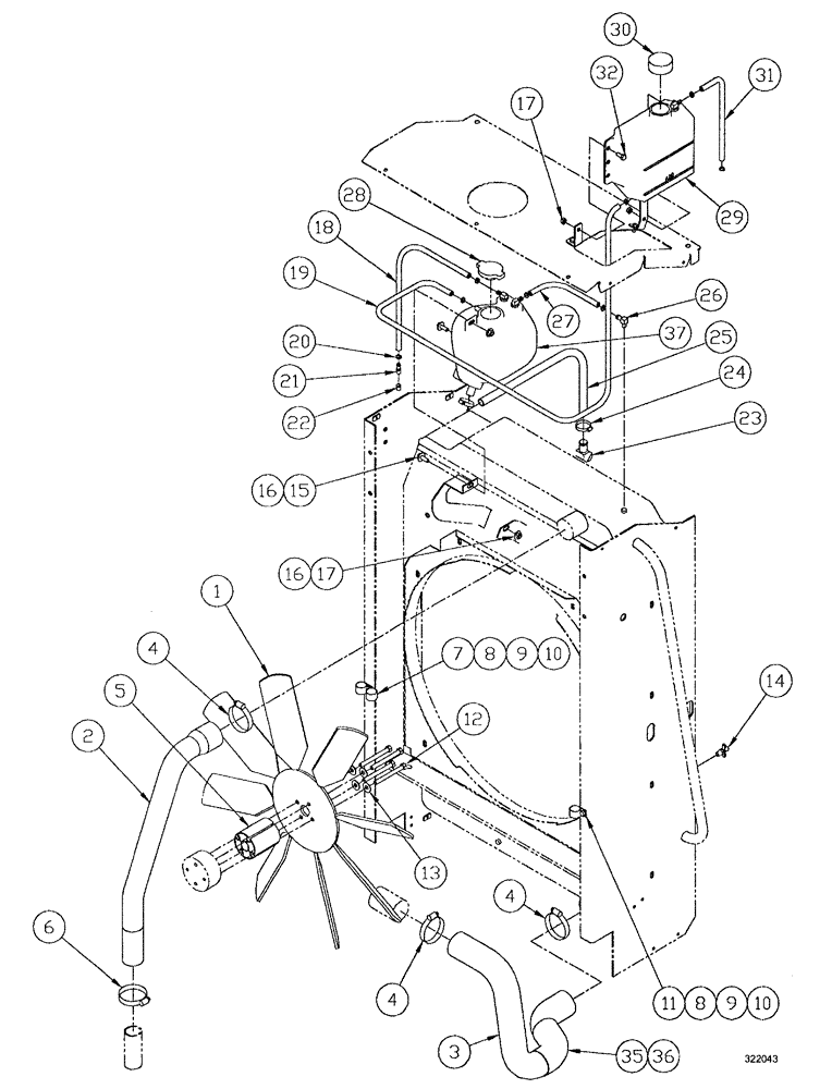
Запчасти Case IH SPX3200 (03-078) - RADIATOR COMPONENTS GROUP (10) - ENGINE

Схема запчастей Case IH SPX3200 - (03-078) - RADIATOR COMPONENTS GROUP (10) - ENGINE
17
30
37
26
19
6
35
17
22
5
23
27
4
9
25
11
28
16
8
1
16
3
2
9
15
7
36
32
29
10
4
31
24
8
14
18
12
21
20
4
10
13
FIT
1:1
100%

Артикул

Название

Примечание

Количество

1

BN316001

FAN

28", 8 blade, metal

1шт.

2

BN322045

RADIATOR HOSE,2.25" ID x 21.78", SAE 20R4 Class D1 per SAE J20

Upper

1шт.

3

BN322044

HOSE,57.15mm ID x 688.34mm L, SAE 20 R4 Class D1

HOSE, lower RAD.

1шт.

4

J918521

HOSE CLAMP,59mm - 83mm

radiator (59-83mm)

3шт.

5

87031374

SPACER

Fan, 70 mm

1шт.

6

J922847

CLAMP

HOSE, radiator (40-64mm)

1шт.

7

BN43197

CLAMP

vinyl covered, 3/4"

2шт.

8

BN50141

WASHER

5/16, FW, G5

2шт.

9

87872

BOLT,Hex, 5/16" - 18 x 3/4", Gr 5

2шт.

10

BN55360

LOCK NUT

5/16"-18, NLN, G5

2шт.

11

86625038

CLAMP,25.4mm, Coat, 13.5mm Bolt Hole, P Type

1шт.

12

43253

BOLT,Hex, M10 x 1.5 x 100mm, Cl 10.9

4шт.

13

BN300499

WASHER,M10, 10.9

4шт.

14

H434809

COCK, DRAIN

VALVE

1шт.

15

43127

BOLT,Hex, M8 x 1.25 x 25mm, Cl 8.8

2шт.

16

BN300497

WASHER,M8, 10.9

4шт.

17

86528579

NUT,M8 x 1.25

5шт.

18

BN323343

HOSE,0.31" ID x 30.00"

1шт.

19

BN318656

HOSE,0.31" ID x 32.00"

1шт.

20

BN76094

HOSE CLAMP

SS #M4

7шт.

21

BN53433

FITTING

HB,1/4" NPT x 1/4" HS, STL

1шт.

22

BN72167

BUSHING

reducer, 1/2-14 x 1/4-18

1шт.

23

86637717

FITTING,45 Degree, 3/4" Hose x 1/2" NPTF Beaded

1шт.

24

BN75990

HOSE CLAMP

#16, Stainless Steel

2шт.

25

BN323344

HOSE,0.75" ID x 41.00"

1шт.

26

86637719

FITTING,90 Degree, 1/4" Hose x 1/8" NPTF, Barbed

1шт.

27

BN323345

HOSE, 1/4" x 15"

1шт.

28

A170241

RADIATOR CAP

15 psi

1шт.

29

A184395

RESERVOIR

Bottle, Coolant Recovery

1шт.

30

1547924C1

CAP

coolant recovery bottle

1шт.

31

BN315971

HOSE,0.31" ID x 40.00"

1шт.

32

628-8020

BOLT,Hex, M8 x 20, 10.9, Full Thd

3шт.

35

BN319391

HOSE

SLEEVE, lower radiator

1шт.

36

BN51143

STRAP

tie, 11" x .171"

2шт.

37

87413715

RESERVOIR

assembly, deaeration

1шт.

Выбрано товаров: 35