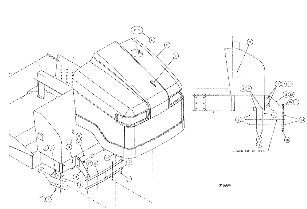
Запчасти Case IH SPX3200 (04-002) - FUEL TANK HOOD GROUP (10) - ENGINE

Схема запчастей Case IH SPX3200 - (04-002) - FUEL TANK HOOD GROUP (10) - ENGINE
3
13
9
3
4
1
3
2
3
5
6
14
16
3
2
13
12
17
8
16
3
6
3
17
3
2
11
3
12
15
4
14
2
11
15
FIT
1:1
100%

Артикул

Название

Примечание

Количество

1

1968108C2

TRIM

Trim, Hood Sight

1шт.

2

100037

LOCK NUT,M10 x 1.5, Cl 8

8шт.

3

BN300499

WASHER,M10, 10.9

18шт.

4

325829

BOLT,Hex, M10 x 1.5 x 45mm, Cl 8.8

4шт.

5

BN315078

HOOD

TANK, fuel, 3200B

1шт.

6

BN316498

GROMMET

hood

1шт.

8

BN319318

PLATE

stress relief

4шт.

9

BN319381

FOAM

fuel tank, LH

2шт.

10

BN54039

ADHESIVE

Spray 18 oz

1шт.

17

86624184

WASHER,9mm ID x 16mm OD x 1.6mm Thk

4шт.

11

BN321204

SUPPORT

hood, RH

1шт.

12

BN321205

SUPPORT

hood, LH

1шт.

13

BN311771

MOUNTING PLATE

Front

2шт.

14

11106231

BOLT,Hex, M10 x 1.5 x 25mm, Cl 10.9

4шт.

15

811-8030

CARRIAGE BOLT,Sht Sq Nk, M8 x 1.25 x 30mm, Cl 8.8

4шт.

16

86528579

NUT,M8 x 1.25

4шт.

Выбрано товаров: 16