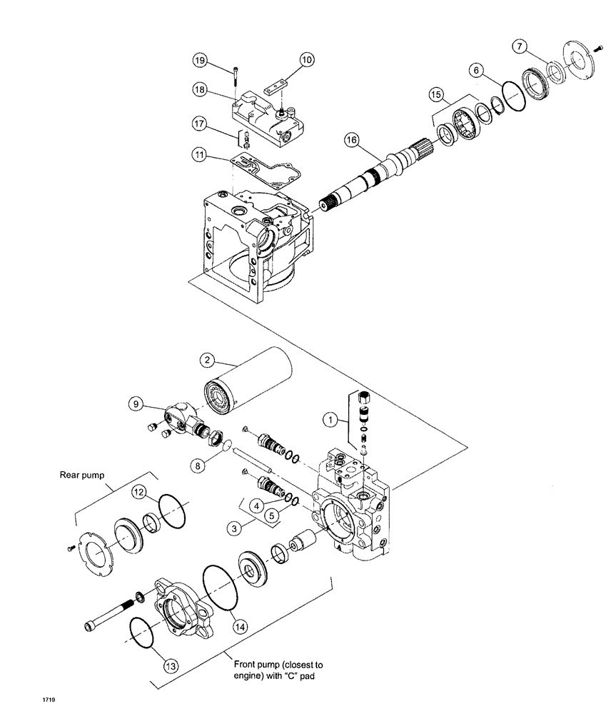
Запчасти Case IH SPX3200 (06-044) - HYDROSTATIC PUMP (29) - HYDROSTATIC DRIVE

Схема запчастей Case IH SPX3200 - (06-044) - HYDROSTATIC PUMP (29) - HYDROSTATIC DRIVE
10
16
2
13
5
7
18
15
12
14
4
1
17
9
11
3
6
8
19
FIT
1:1
100%

Артикул

Название

Примечание

Количество

1

BN300952

KIT

Charge Relief

1шт.

2

N14232

FILTER

Element, Spin On

1шт.

3

BN65540

VALVE

Multi-Function 90 Series

2шт.

4

BN65541

O-RING

M/F Valve Upper

2шт.

5

BN65542

O-RING

M/F Valve Lower

2шт.

6

BN65544

O-RING

Shaft, 75 CC

1шт.

7

BN65546

SEAL

Lip, Shaft 75 CC

1шт.

8

BN68470

O-RING

Filter Head, 90 Pump

1шт.

9

BN69597

FILTER HEAD

Filter Mount, 90 Series, Head Only

1шт.

10

BN67479

HANDLE

SS 90 Series Pump

1шт.

11

BN68509

GASKET

Control Body

1шт.

12

BN318287

O-RING

Cover, change pump

1шт.

13

BN312705

O-RING,0.103" Thk x 4.737" ID, -158, Cl 7, 75 Duro

Auxiliary Flange

1шт.

14

BN312705

O-RING,0.103" Thk x 4.737" ID, -158, Cl 7, 75 Duro

Auxiliary Flange

1шт.

15

BN312706

BEARING, ROLLER,40mm ID x 90mm OD x 23mm W

1шт.

16

BN318289

SHAFT

14T, 12/24, pump, front, Serial Range: closest-engine

1шт.

16

BN318290

SHAFT

23T, 16/32, pump, rear

1шт.

17

BN318291

KIT

control, orifice

1шт.

18

BN68507

CONTROL

Vari Disp, Complete

1шт.

19

BN318292

SCREW

6шт.

Выбрано товаров: 20