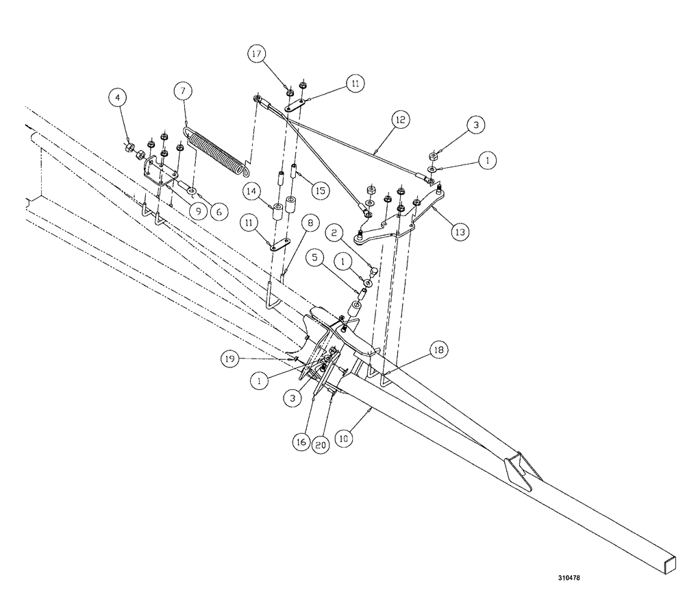
Запчасти Case IH SPX3200B (134) - BOOM BREAKAWAY ASSEMBLY, LH - 90 (78) - SPRAYING

Схема запчастей Case IH SPX3200B - (134) - BOOM BREAKAWAY ASSEMBLY, LH - 90 (78) - SPRAYING
1
9
18
15
4
8
2
7
16
13
6
12
3
3
11
17
14
10
20
1
19
5
11
1
FIT
1:1
100%

Артикул

Название

Примечание

Количество

1

BN300500

WASHER,M12, 10.9

4шт.

2

9706687

BOLT,M12 x 1.75 x 30mm, Cl 8.8

1шт.

3

100038

NUT,M12 x 1.75, Cl 8

3шт.

4

832-46416

NUT,M16 x 2, Cl 8

2шт.

5

BN304675

NUT

RND, connect, M12 X 40

1шт.

6

BN304678

EYEBOLT

BOLT, EYE M16 X 160

1шт.

7

BN305410

SPRING

1.67 X 0.283 X 12

1шт.

8

BN305434

U-BOLT

BOLT "U" 3/8 x 2 x 4.5

1шт.

9

BN311733

ANCHOR

breakaway

1шт.

10

BN325289

FRAME

Boom, Breakaway

1шт.

11

BN308039

PLATE

Spacer

2шт.

12

87271165

CABLE,713mm L

Breakaway, 28"

2шт.

13

BN309505

ANGLE

breakaway

1шт.

14

87265981

ROLLER,31.75mm OD x 48mm L

1.25" OD x .64" ID x 1.88" Long, UHMW

3шт.

15

BN310055

BUSHING,9.78mm ID x 16mm OD x 49.28mm L

2шт.

16

BN312172

BUMPER

breakaway

2шт.

17

BN50062

LOCK NUT,3/8"-16, Stainless Steel

10шт.

18

BN68062

U-BOLT

BOLT "U" 3/8-square bend - 2.06 id

4шт.

19

BN50057

LOCK NUT,Lock, 5/16"-18, Stainless Steel

4шт.

20

BN50779

BOLT,5/16"-18 X 1.00", EH, DOR

4шт.

Выбрано товаров: 20