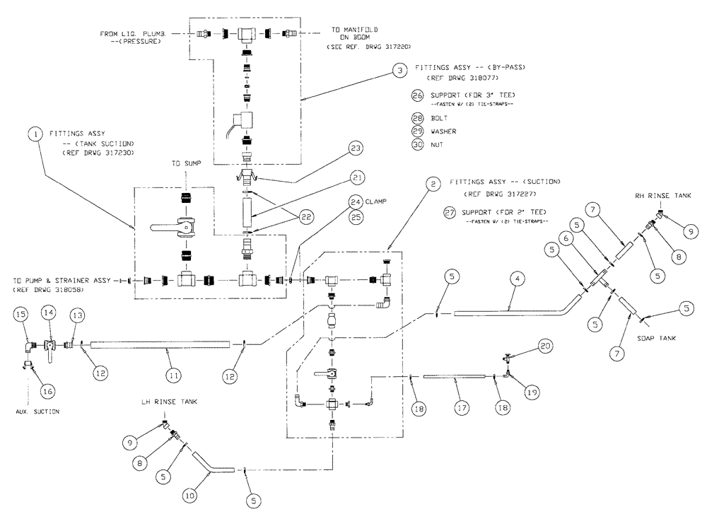
Запчасти Case IH SPX3200B (139) - SUCTION GROUP - ELLIPTICAL TANK (78) - SPRAYING

Схема запчастей Case IH SPX3200B - (139) - SUCTION GROUP - ELLIPTICAL TANK (78) - SPRAYING
12
18
22
18
8
2
12
5
5
26
5
17
5
19
27
16
4
10
24
20
21
5
14
5
30
7
6
1
13
15
7
25
5
23
28
11
5
9
8
9
29
3
FIT
1:1
100%

Артикул

Название

Примечание

Количество

1

NSS

NOT SOLD SEPARAT

ASSY., fittings, tnk., suct, ell.

1шт.

See Fig. 145

1шт.

2

NSS

NOT SOLD SEPARAT

ASSY., fittings, suct., 800 ell.

1шт.

See Fig. 143

1шт.

3

NSS

NOT SOLD SEPARAT

ASSY, fittings, by pass

1шт.

See Fig. 147

1шт.

4

BN318109

HOSE, BULK

HOSE, METERS 1.25" EPDM x 81"

1шт.

5

BN76084

HOSE CLAMP

Adj. #24, SS

8шт.

6

BN317579

TEE

hosebarb, 1.25"

1шт.

7

BN318110

HOSE, BULK

HOSE, METERS 1.25" EPDM x 9"

2шт.

8

BN73740

PIPE FITTING,1-1/2" Male Thread x 1-1/4" Hose Barb

BARB, 1-1/2NPT X 1-1/4 HB

2шт.

9

BN310467

ELBOW

1-1/2" NPT x 1-1/2" NPT, Poly, 45º

2шт.

10

BN315954

HOSE, BULK

HOSE, METERS 1 - 1/4 X 13

1шт.

11

BN318111

HOSE,2.00" ID x 74.00"

EPDM

1шт.

12

BN76056

HOSE CLAMP

#36

2шт.

13

BN73781

FITTING,2" Male NPT x 2" Hose Barb, Poly

2" NPT x 2" Hose Barb

1шт.

14

BN73761

VALVE,2" NPT x 2" NPT

Ball, 2" Full Port

1шт.

15

BN25262

ELBOW

90°, 2" NPT

1шт.

16

BN22901

DUST CAP,2" Cam Lever Dust Cap

2" Cam Lever

1шт.

17

BN318114

HOSE, BULK

HOSE, METERS .75" EPDM x 68.0"

1шт.

18

BN75978

HOSE CLAMP

SS, No. 12 adj., HS, .56-1.25

2шт.

19

BN73519

ELBOW

1/2" NPT x 3/4" Hose Barb

1шт.

20

BN53817

DRAIN VALVE

Plastic, 1/2" NPT

1шт.

21

BN318118

HOSE, BULK

HOSE, METERS 3" EPDM x 20"

1шт.

22

BN2403395

CLAMP

T-Bolt Band 3.56"

2шт.

23

BN73773

COUPLING,3" Quick Disconnect x 3" Hose Barb, Poly

female, 3in. poly

1шт.

24

BN313773

CLAMP,2" Full Port

2" Flange

1шт.

25

BN313772

GASKET,2" Full Port, EPDM

2" Flange, EPDM

1шт.

26

BN318418

SUPPORT

assembly, support tee, suction

1шт.

27

BN318419

SUPPORT

hose, rinse, suction

1шт.

28

BN50254

BOLT,3/8"-16 x 1", Stainless

2шт.

29

BN50146

WASHER,3/8", Stainless

4шт.

30

BN50759

LOCK NUT,3/8"-16, Nylon, Stainless

2шт.

Выбрано товаров: 33