Запчасти Case IH SPX3200B (148) - PUMP AND STRAINER ASSEMBLY - SPHERICAL TANK (78) - SPRAYING

Схема запчастей Case IH SPX3200B - (148) - PUMP AND STRAINER ASSEMBLY - SPHERICAL TANK (78) - SPRAYING
4
5
4
3
2
1
FIT
1:1
100%

Артикул

Название

Примечание

Количество

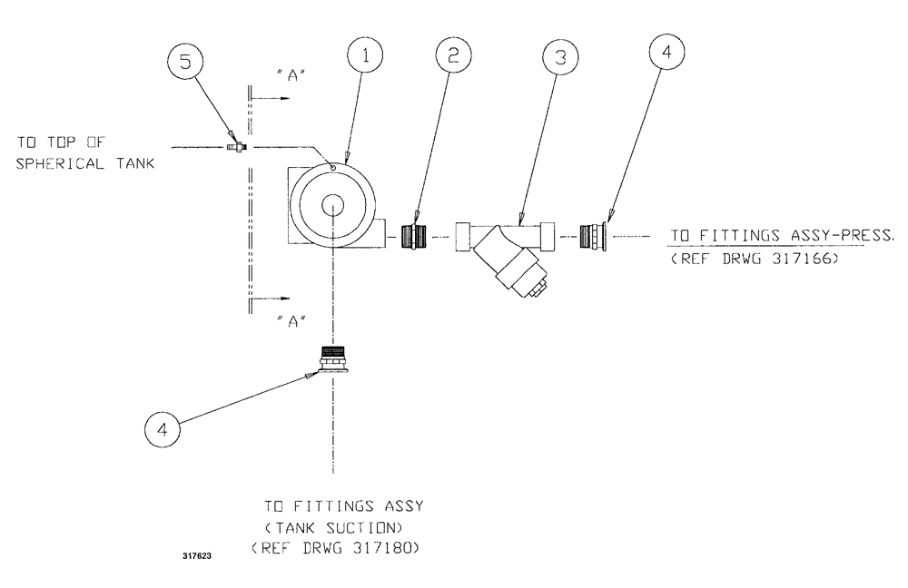
1

NSS

NOT SOLD SEPARAT

PUMP HYPRO HV

1шт.

See Fig. 184

1шт.

2

BN73780

NIPPLE

2" x 1.5 Red Poly

1шт.

3

BN73792

FILTER STRAINER,2" NPT, 30 Mesh

2" NPT - 30 Mesh Poly

1шт.

4

BN314241

MANIFOLD,2" Full Port Flange x 2" Male NPT, Poly

2" MPT x 2" Flange, Poly

2шт.

5

BN72040

FITTING,1/8" MPT x 1/4" HB

Hose Barb, 1/8" NPT x 1/4" ID HS

1шт.

Выбрано товаров: 0