Запчасти Case IH SPX3200B (026) - WASTEGATE ACTUATOR (10) - ENGINE

Схема запчастей Case IH SPX3200B - (026) - WASTEGATE ACTUATOR (10) - ENGINE
5
7
6
a
9
3
11
4
10
6
7
2
8
1
12
FIT
1:1
100%

Артикул

Название

Примечание

Количество

J802767

TURBOCHARGER

KIT, with gaskets, ncludes all parts shown below and on FG 029.

1шт.

JR802767

REMAN-TURBOCHARGER

1шт.

JC536971

CORE-TURBOCHARGER

Return Number

1шт.

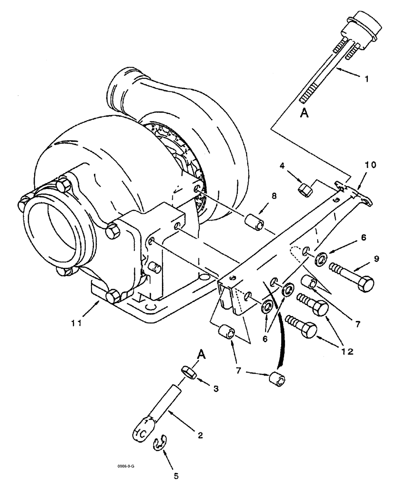
1

J535861

VALVE

ACTUATOR, wastegate, turbo

1шт.

2

J528177

LINK

adjusting

1шт.

3

425-155

JAM NUT,Jam, 5/16"-24, G5

1шт.

4

J528204

LOCK NUT

lock

2шт.

6

86624184

WASHER,9mm ID x 16mm OD x 1.6mm Thk

3шт.

5

J528221

CIRCLIP

retaining

1шт.

NSS

NOT SOLD SEPARAT

HOUSING, turbine and actuatoor bracket

1шт.

7

J532195

SPACER,9.38mm ID x 16.03mm OD x 13.7mm L

mountimg, short

3шт.

8

J532196

SPACER,9.38mm ID x 16.03mm OD x 19mm L

mounting, long

1шт.

9

814-8055

BOLT,Hex, M8 x 1.25 x 55mm, Cl 8.8

1шт.

10

J533328

SUPPORT

BRACKET, wastegate actuator

1шт.

11

NSS

NOT SOLD SEPARAT

HOUSING, turbine

1шт.

12

412479

BOLT,Hex, M8 x 1.25 x 35mm, Cl 8.8

2шт.

Выбрано товаров: 16