Запчасти Case IH SPX3200B (185) - INTERIOR DECALS (90) - PLATFORM, CAB, BODYWORK AND DECALS

Схема запчастей Case IH SPX3200B - (185) - INTERIOR DECALS (90) - PLATFORM, CAB, BODYWORK AND DECALS
22
1
8
14
9
16
12
3
6
19
10
7
15
18
5
20
2
24
11
13
21
4
17
23
FIT
1:1
100%

Артикул

Название

Примечание

Количество

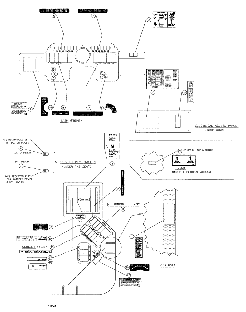
1

87535740

DECAL

electrical shock

1шт.

2

BN324389

DECAL

Hand Control

1шт.

3

333095A1

DECAL

start and shift

1шт.

4

333096A1

DECAL

boom/wheel tread

1шт.

5

BN69137

DECAL

RH lite bar-dash

1шт.

6

BN69138

DECAL

LH lite bar-dash

1шт.

7

BN69139

DECAL

RH Lite Switch Dash

1шт.

8

BN69140

DECAL

LH Function Switch Dash

1шт.

9

BN69141

DECAL

Ignition Dash

1шт.

10

BN69142

DECAL

Turn Signal - Dash

1шт.

11

BN310442

DECAL

boom shutoff

1шт.

12

BN310440

DECAL

boom function, upper

1шт.

13

BN310441

DECAL

boom function, lower

1шт.

14

BN69146

DECAL

Boom (Open-Close) Dash

1шт.

15

BN69147

DECAL

Speed Control Dash

1шт.

16

BN69148

DECAL

Foam Marker (MIN-MAX) Dash

1шт.

17

BN315660

DECAL

Pump, Spring, P2, Axle

1шт.

18

BN315682

DECAL

axle-out, and P1 (aim)

1шт.

19

BN69453

DECAL

fuse and relay, NCB

1шт.

See Fig. 201

1шт.

20

BN69489

DECAL

Pressure Line Info-NCB

2шт.

21

BN313612

DECAL

power, aux. 1, battery

1шт.

22

BN315619

DECAL

switch, power, battery

1шт.

23

BN63916

DECAL

Foam Marker

1шт.

24

BN69616

DECAL

fuse & relay boom center

1шт.

See Fig. 201

1шт.

Выбрано товаров: 26