Запчасти Case IH SPX3200B (062) - FUEL TANK ASSEMBLY (10) - ENGINE

Схема запчастей Case IH SPX3200B - (062) - FUEL TANK ASSEMBLY (10) - ENGINE
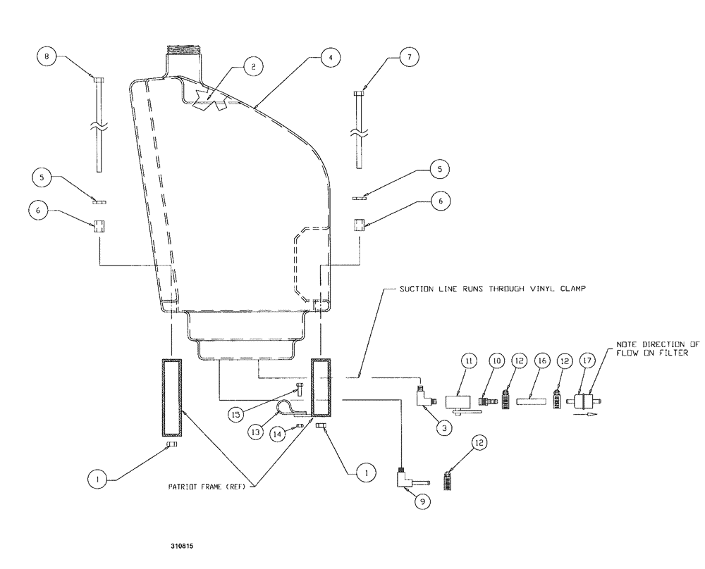
16
10
12
14
12
6
12
5
7
15
6
4
1
5
1
8
17
3
2
13
9
11
FIT
1:1
100%

Артикул

Название

Примечание

Количество

1

BN55335

NUT

1/2"-13 Whiz Lock

4шт.

2

BN66125

SENDER UNIT

SENDER FUEL, 12V, 25 in.

1шт.

3

BN52300

ELBOW

90° 1/4"-18 NPT

1шт.

4

BN67342

FUEL TANK

1шт.

5

BN67652

PLATE

Tank Hold Down

4шт.

6

BN67653

BUSHING

TB, RD, Bushing

4шт.

7

68537

BOLT Hex, 1/2"-13 x 8 1/2", G5

2шт.

8

68538

BOLT,Hex, 1/2"-13 x 10 1/2", G5

2шт.

9

BN310568

ELBOW-CONNECTION

ELBOW-CONECTION HOSEBARB, 1/4MPT X 5/16 X 90D

1шт.

10

BN72017

HOSE

barb-1/4" NPTM x 3/8" steel

1шт.

11

BN94071

VALVE

BALL, bronze, 1/4NPT

1шт.

12

BN76094

HOSE CLAMP

SS #M4

2шт.

13

86624005

CLAMP,19mm, Coat, 10.3mm Bolt Hole, P Type

1шт.

14

BN50061

LOCK NUT

3/8"-16, G5, Whiz

1шт.

15

BN50254

BOLT,3/8"-16 x 1", Stainless

1шт.

16

BN317990

FUEL HOSE,0.375" ID x 3.00", SAE 30R6, SAE 30R7

1шт.

17

D139225

FILTER, FUEL

3/8" barbs

1шт.

Part only available through Case's North American Parts Organization (NAPO).

1шт.

Выбрано товаров: 18