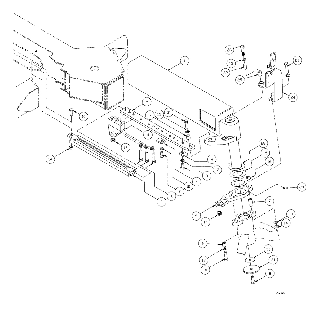
Запчасти Case IH SPX3200B (072) - AXLE ASSEMBLY, STEER RF (27) - REAR AXLE SYSTEM

Схема запчастей Case IH SPX3200B - (072) - AXLE ASSEMBLY, STEER RF (27) - REAR AXLE SYSTEM
13
4
32
12
17
5
28
26
14
8
8
3
27
12
29
6
15
13
25
17
14
31
18
10
24
1
16
7
4
13
2
30
13
31
8
11
6
21
FIT
1:1
100%

Артикул

Название

Примечание

Количество

1

BN312608

AXLE

ASSEMBLY 120-152 RH

1шт.

2

BN301937

BAR

axle adjust

1шт.

3

BN301944

SLIDE

1шт.

4

BN301938

STOP

2шт.

5

BN312633

STEERING ARM

RH

1шт.

6

BN301998

DOWEL

Hollow

2шт.

8

953029

BOLT,Hex, M20 x 35mm, Cl 8.8

3шт.

10

86500658

BOLT,Hex, M20 x 2.5 x 45mm, Cl 10.9

1шт.

11

BN313104

SUPPORT

cylinder RH

1шт.

12

BN300528

LOCK WASHER

M20, 10.9

2шт.

13

86639847

WASHER,21.8mm ID x 44.5mm OD x 5mm Thk

4шт.

14

380424

NUT,M20 x 2.5, Cl 8

2шт.

15

BN302028

WASHER, THRUST

1шт.

16

BN312983

WASHER, THRUST

1шт.

17

87267020

SPHERICAL BEARING,0.875" ID x 1.5625" OD x 0.703"

Spherical, 1.56" OD .875"

2шт.

18

9846950

BOLT,Hex, M20 x 2.5 x 90mm, Cl 10.9

3шт.

21

BN302052

WASHER,20.32mm ID x 139.7mm OD

1шт.

24

NSS

NOT SOLD SEPARAT

GROUP, pivot, mount, hose

1шт.

See Fig. 079

1шт.

25

BN307708

BUSHING

UHMW hose

1шт.

26

412641

BOLT,Hex, M20 x 2.5 x 70mm, Cl 10.9

1шт.

27

9843612

BOLT,Hex, M20 x 2.5 x 100mm, Cl 10.9

1шт.

28

BN312986

WASHER, THRUST

RH

1шт.

29

BN302051

NIPPLE, LUBE,M8 x 1, Straight

NIPPLE 8 mm x 1 Straight

1шт.

30

BN312604

SPACER

shim - axle

1шт.

31

9843495

BOLT,Hex, M20 x 2.5 x 60mm, Cl 10.9

2шт.

32

BN313691

BUSHING

tube

1шт.

Выбрано товаров: 27