Качественные детали и логистика
Оригинальные и аналоговые запчасти с доставкой по России, Казахстану и Беларуси
©2022 PartSell ООО "Система" ИНН 2463123282 ОГРН 1212400004838
Центральный офис: г. Красноярск, Академика Киренского, д.87, пом.4
Телефон: 8 (800) 777-65-74 Email: zakaz@partsell.ru
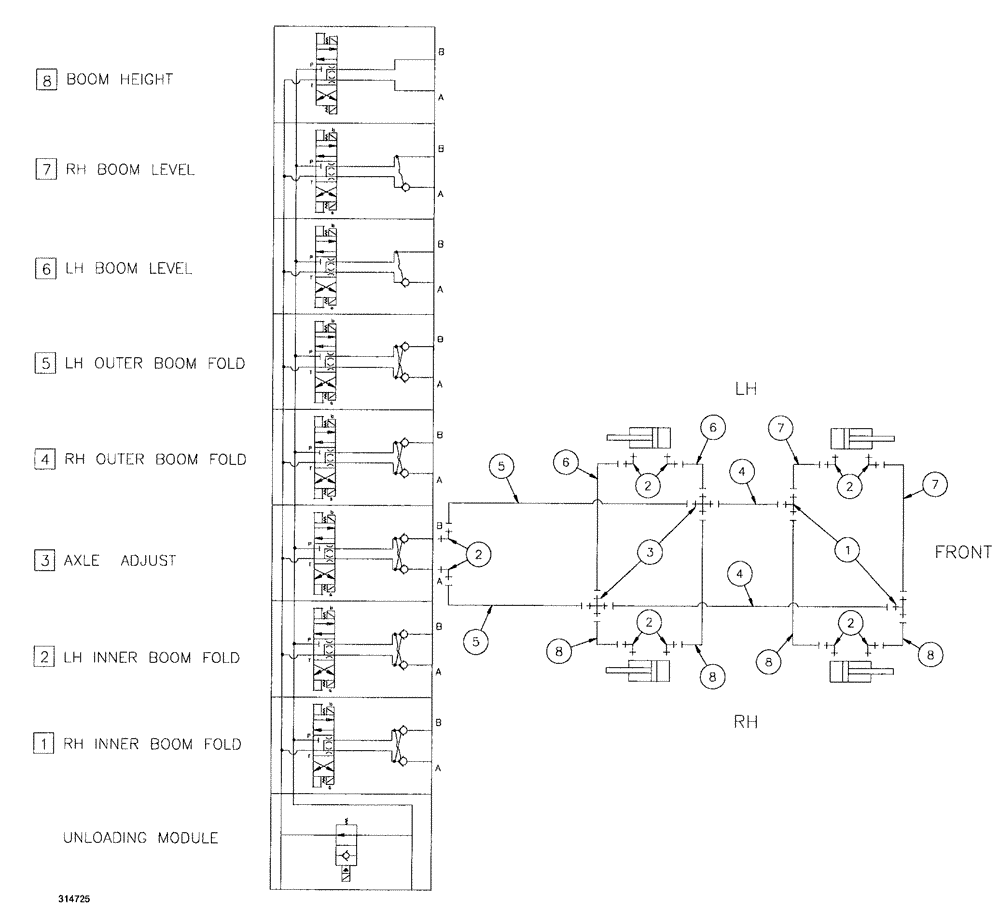
(095) - AXLE ADJUST GROUP
№
Артикул
Название
Примечание
Количество
1
BN21422
TEE
7/16-20 JIC
2шт.
2
BN22160
ELBOW
90° 9/16-18 O-Ring X 7/16-20 JIC
10шт.
3
BN54043
ADAPTER
cross, 1/4" JIC
4
BN54158
HOSE,0.25" ID x 114.00", SAE 100R1
5
BN54161
HOSE,0.25" ID x 52.00", SAE 100R1
6
BN55112
HOSE ASSY.
1/4" x 32"
7
BN55157
1/4" X 28"
8
BN55183
1/4 x 23 100R1
4шт.
Выбрано товаров: 0