Запчасти Case IH SPX3200B (104) - DUMP/FLOW CONTROL VALVE (35) - HYDRAULIC SYSTEMS

Схема запчастей Case IH SPX3200B - (104) - DUMP/FLOW CONTROL VALVE (35) - HYDRAULIC SYSTEMS
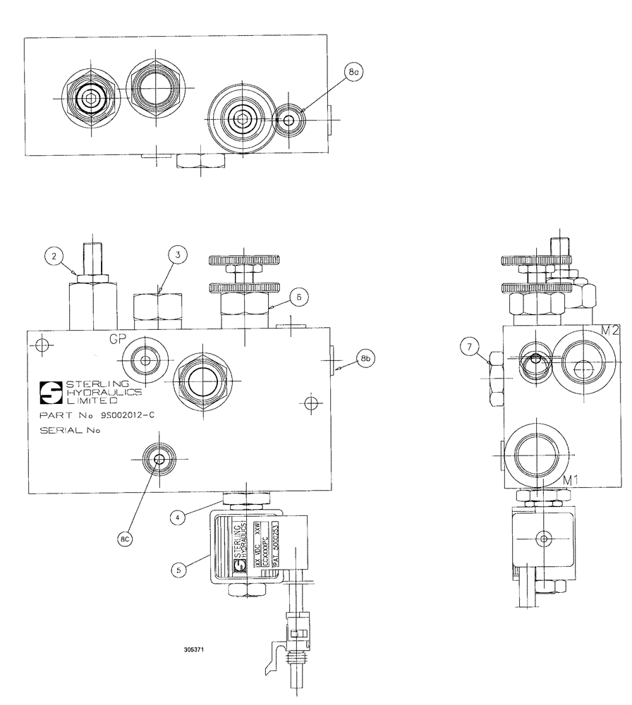
8c
3
8a
7
6
8b
2
4
5
FIT
1:1
100%

Артикул

Название

Примечание

Количество

BN314651

BLOCK

M/C

1шт.

2

BN314652

VALVE

relief

1шт.

BN300316

SEAL KIT

For BN300305

1шт.

3

BN314653

VALVE

by-pass compensator

1шт.

BN314654

SEAL ASSY.

kit

1шт.

4

BN314655

VALVE

2/2 way solenoid

1шт.

BN300316

SEAL KIT

For BN300305

1шт.

5

BN314656

SOLENOID

1шт.

6

BN314657

VALVE

needle

1шт.

BN300316

SEAL KIT

For BN300305

1шт.

7

BN314658

CHECK VALVE

1шт.

BN314659

KIT

seal

1шт.

8

BN314660

PLUG

zero leak hollow hex

3шт.

Выбрано товаров: 13