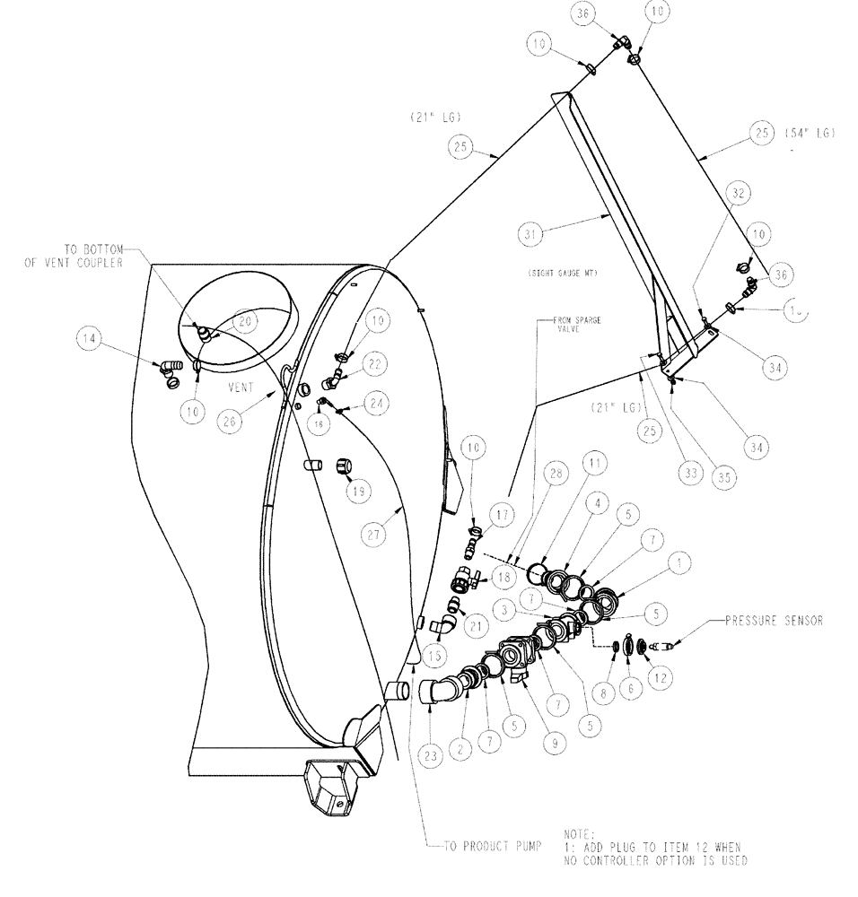
Запчасти Case IH SPX3310 (09-005) - FRONT PLUMBING GROUP Liquid Plumbing

Схема запчастей Case IH SPX3310 - (09-005) - FRONT PLUMBING GROUP Liquid Plumbing
10
34
5
5
10
24
15
2
34
7
19
7
7
5
26
35
21
36
9
10
33
25
10
14
31
8
10
36
6
5
10
18
10
28
3
16
17
7
4
2
11
1
25
25
32
23
12
27
FIT
1:1
100%

Артикул

Название

Примечание

Количество

1

87267540

ELBOW,45 Degree Elbow, 2" Full Port Flange x 2" Full Port Flange, Poly

Manifold 2" x 45º FP

1шт.

2

BN303185

ADAPTER,2" Flange x 2" Male NPT, Poly

2" Flange x 2" NPT

1шт.

3

BN303191

TEE,2" Flange x 2" Flange x 1" Flange, Poly

2" FLG X 1" FLG

1шт.

4

405780A1

FITTING,2" Flange x 2" Hose Barb

2" Flange x 2" Hose Barb, Poly

1шт.

5

BN303199

CLAMP,2" Flange

2" Standard Flange

4шт.

6

BN303203

CLAMP,1" Flange

1" FLG MANIFOLD

1шт.

7

BN303204

GASKET,1-1/2" EPDM Gasket

2" Flange, EPDM

4шт.

8

408350A1

MANIFOLD GASKET,1" EPDM Manifold Gasket

1" x 7/32" thick

1шт.

9

BN304328

VALVE,2" FP Valve w/C-Flng & T Handle

BALL, 2" FL, W/T HNDL

1шт.

10

BN310446

HOSE CLAMP

#12, Stainless Steel

7шт.

11

BN310449

CLAMP,50mm - 65mm

#32, Stainless Steel

1шт.

12

405793A1

PLUG,1" Flange Plug with 1/4" FPT

1" Manifold x 1/4" FPT, Poly

1шт.

14

BN53475

ELBOW,90 Degree Elbow, 1" Male NPT x 1" Hose Barb, Poly

1" NPT x 1" Hose Barb, Poly

1шт.

15

BN53682

ELBOW

90-STREET-1" POLY

1шт.

16

BN73412

ELBOW,90 Degree,1/4" MPT x 1/4" HB

1/4" NPT x 1/4" Hose Barb, Poly

1шт.

17

BN73561

FITTING

3/4 NPT X 3/4 HS

1шт.

18

BN324588

VALVE

Ball 3/4" SU Poly

1шт.

19

BN73606

CAP

1" NPT, Poly Pipe

1шт.

20

BN73648

NIPPLE

1" Short Poly Pipe

1шт.

21

BN73649

NIPPLE,1" x 3/4" Poly Reducing Nipple

1" x 3/4" Poly

1шт.

22

BN73684

ELBOW

90° 1" MPT x 3/4" Barb

1шт.

23

BN73789

FITTING

2" 90 DEGREE POLY

1шт.

25

BN52310

TUBE,0.75" ID

Wall Vinyl

1шт.

24

87485000

CLAMP,0.25" - 0.62"

#4, Stainless Steel

1шт.

26

BN53479

HOSE,1.00" ID BULK

EPDM Discharge

1шт.

27

BN72041

HOSE

1/4" Bulk EPDM Discharge

1шт.

28

BN53841

HOSE,2.00" ID

EPDM, Air Water

1шт.

31

87536690

MOUNTING PLATE

OPERATOR

1шт.

32

87342645

BOLT

5/16-18 X 1 5 DOR

1шт.

33

87342647

BOLT

Hex, 5/16"-18 x 1 1/4, G5

1шт.

34

80664

WASHER,0.38" ID x 0.88" OD x 0.08" Thk

3шт.

35

87343959

NUT,5/16" - 18, GR B, DOR

1шт.

36

BN73559

FITTING

3/4 90 DEG, POLY

2шт.

Выбрано товаров: 33