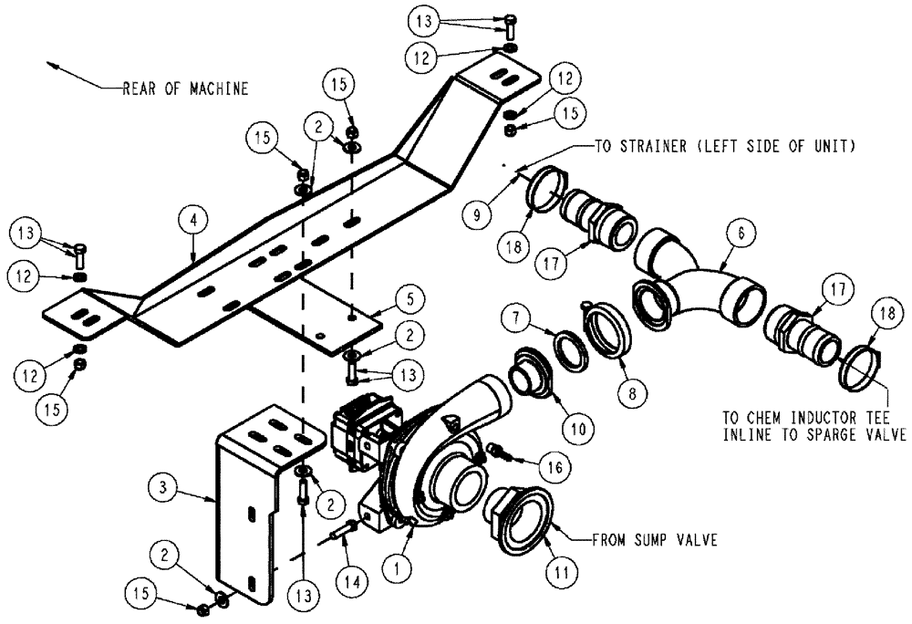
Запчасти Case IH SPX3310 (09-007) - PRODUCT PUMP PLUMBING GROUP Liquid Plumbing

Схема запчастей Case IH SPX3310 - (09-007) - PRODUCT PUMP PLUMBING GROUP Liquid Plumbing
13
113
12
15
12
16
10
15
3
15
17
2
5
9
13
15
7
12
17
8
13
11
6
15
18
2
14
2
18
1
4
12
2
FIT
1:1
100%

Артикул

Название

Примечание

Количество

1

344030A1

PUMP

Hypro HV with motor

1шт.

See Fig. 09-047

1шт.

2

87529312

WASHER,11mm ID x 24mm OD x 3mm Thk

14шт.

3

87265574

BRACKET, SUPPORTING

PRODUCT PUMP

1шт.

4

87268593

BRACKET, SUPPORTING

PLUMBING

1шт.

5

87266400

MOUNTING PLATE

PRODUCT VALVE

1шт.

6

87265587

MANIFOLD

Y, PRODUCT PLMB

1шт.

7

BN313772

GASKET,2" Full Port, EPDM

2" Flange, EPDM

1шт.

8

BN313773

CLAMP,2" Full Port

2" Flange

1шт.

9

BN316635

HOSE,2.00" ID x 86.00"

Sparge

1шт.

10

BN322254

ADAPTER,2" Flange x 1 1/2" Male Thread SST

manifold 2 fp X 1.5 npt

1шт.

11

BN322930

MANIFOLD

MS, 3" FLG X 2"

1шт.

12

BN50146

WASHER,3/8", Stainless

8шт.

13

BN50254

BOLT,3/8"-16 x 1", Stainless

10шт.

14

BN50260

BOLT,3/8"-16 x 1-1/2", Stainless Steel

2шт.

15

BN50759

LOCK NUT,3/8"-16, Nylon, Stainless

12шт.

16

BN72040

FITTING,1/8" MPT x 1/4" HB

Hose Barb, 1/8" NPT x 1/4" ID HS

1шт.

17

BN73781

FITTING,2" Male NPT x 2" Hose Barb, Poly

2" NPT x 2" Hose Barb

2шт.

18

BN310449

CLAMP,50mm - 65mm

#32, Stainless Steel

2шт.

Выбрано товаров: 19